EasyManua.ls Logo

Goot TP-100 - Page 22

Goot TP-100
24 pages
Print Icon
To Next Page IconTo Next Page
To Next Page IconTo Next Page
To Previous Page IconTo Previous Page
To Previous Page IconTo Previous Page
Loading...
22
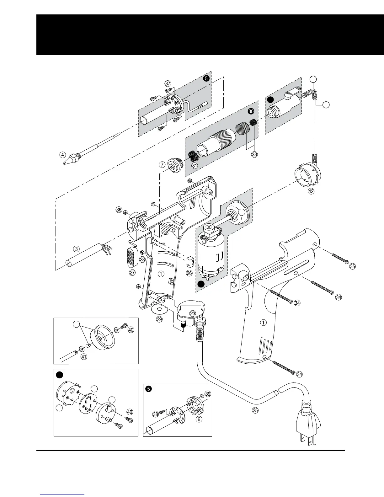
プヘドASSY
ーターパ
Pumphead assy
Heater pipe assy
11
14
42
15
16
18
17
17
13
2
9. 品リ
PARTS LIST

Related product manuals