EasyManua.ls Logo

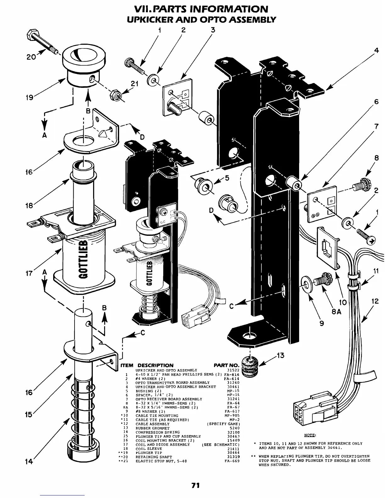
Gottlieb Barb Wire - Upkicker and Opto Assembly

Default Icon
74 pages
Print Icon
To Next Page IconTo Next Page
To Next Page IconTo Next Page
To Previous Page IconTo Previous Page
To Previous Page IconTo Previous Page
Loading...

Table of Contents

Related product manuals