EasyManua.ls Logo

Graco 231-043 - Page 40

Graco 231-043
44 pages
Print Icon
To Next Page IconTo Next Page
To Next Page IconTo Next Page
To Previous Page IconTo Previous Page
To Previous Page IconTo Previous Page
Loading...
40
307–785
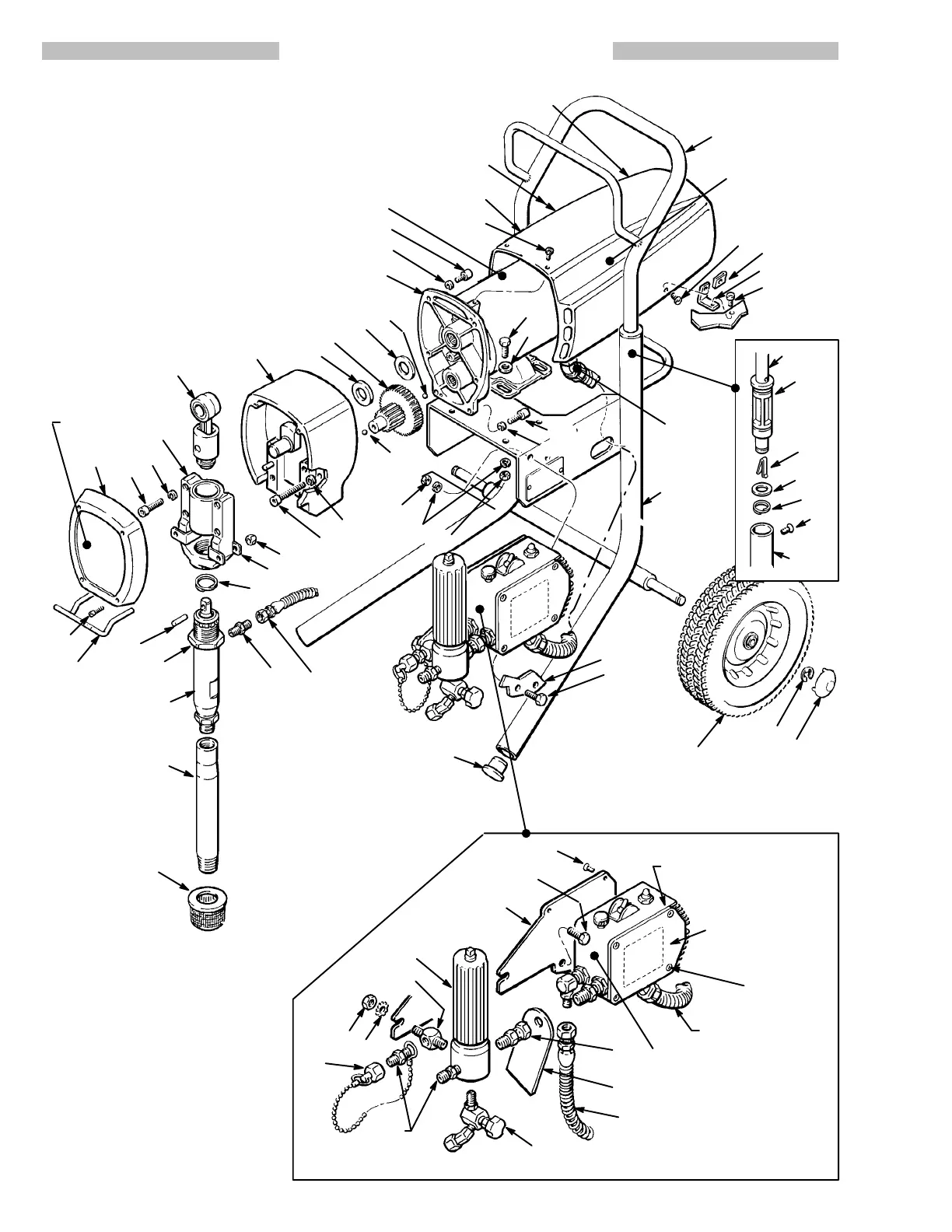
PARTS
DRA
WING – SPRAYER
11
70
Ultra
1000
Sprayers with Upright Cart
Model
231–034, Series C
Includes items 1–90
Basic Sprayer
Model 231–043
Includes items 1 – 90, 100 – 102
Complete Sprayer
56
59
57
16
20
9
67a
51
67b
9
68
69
23
25
49
24
43
61
32
60
42
47
76
86
53
45
39
72
50
12
38
10
8
22
75
SEE
P
ARTS ON P
AGE 42
36
63
44
INSIDE
LABEL
55
OUTSIDE
LABEL
1
66
21
14
19
20
26
13
20
40
67
64
74
77
33
87
73
46
Ref
70
IDENTIFICATION
LABEL
34
10
Ref
8
Ref 64
34
34
85
90
WARNING
LABEL
46
W
ARNING LABEL
SEE P
ARTS
ON P
AGE 39
78
48
89
37
35
62
Ref
78
Ref 77
40
50
58
ID
LABEL
31
IDENTIFICATION
LABEL
A
A
8

Other manuals for Graco 231-043

Related product manuals