EasyManua.ls Logo

Graco 390 PC - Page 33

Graco 390 PC
50 pages
Print Icon
To Next Page IconTo Next Page
To Next Page IconTo Next Page
To Previous Page IconTo Previous Page
To Previous Page IconTo Previous Page
Loading...
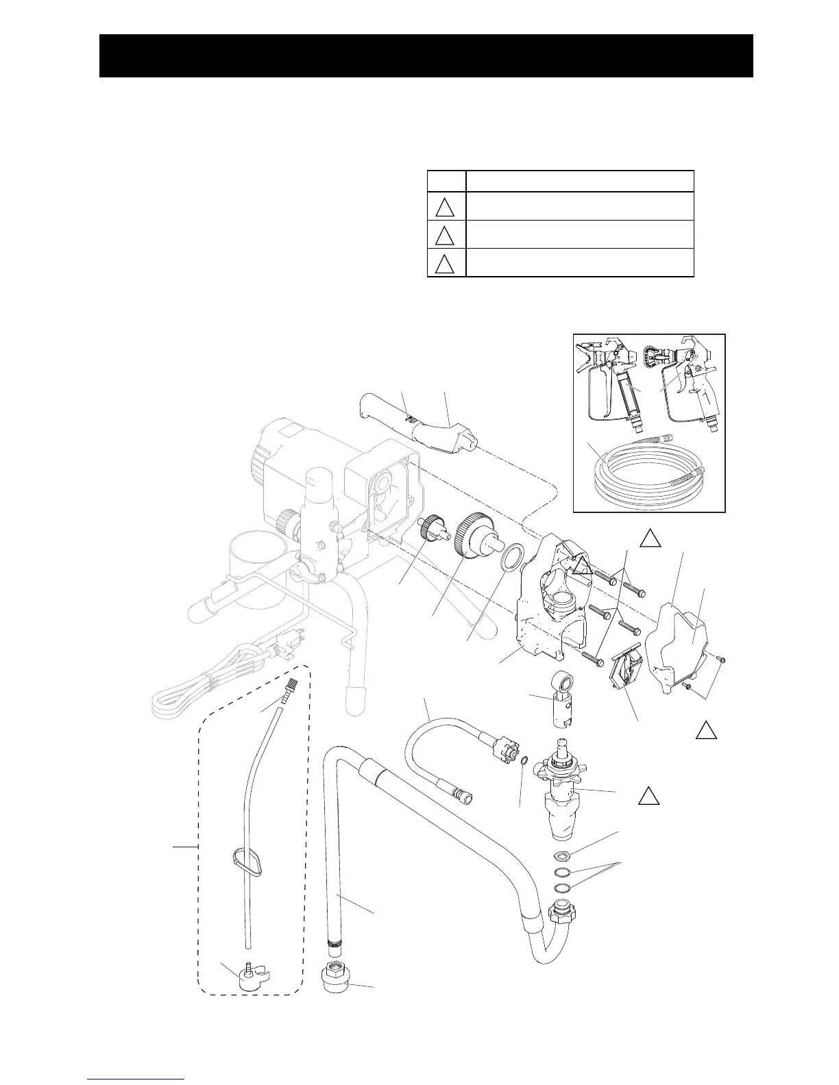
Sprayers Parts
334567E 33
40
44
25
45
43
41
69
47
42
66
132
22
52
12
70
91
14
37
20
39
60
145
ti24098a
28
27
1
4
3
1
Ref. Torque
140-160 in-lb (15.8 - 18.1 N•m)
Hammer tight
23-27 in-lb (2.6 - 3.1 N•m)
1
3
4

Related product manuals