EasyManua.ls Logo

Graco 390 PC - Wiring Diagrams; 110;120 V

Graco 390 PC
50 pages
Print Icon
To Next Page IconTo Next Page
To Next Page IconTo Next Page
To Previous Page IconTo Previous Page
To Previous Page IconTo Previous Page
Loading...
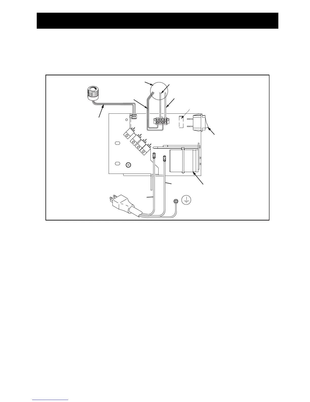
Wiring Diagrams
334567E 45
Wiring Diagrams
110/120V
Red (+)
Black (-)
Pressure
Control
Assembly
Power
Plug
White
Green
Black
from Motor
2 x Yellow
ON/OFF
Switch
ti5643a
Capacitor
Replaceable Fuse
ti5643a

Related product manuals