EasyManua.ls Logo

Graco LTS 15 - Page 43

Graco LTS 15
54 pages
Print Icon
To Next Page IconTo Next Page
To Next Page IconTo Next Page
To Previous Page IconTo Previous Page
To Previous Page IconTo Previous Page
Loading...
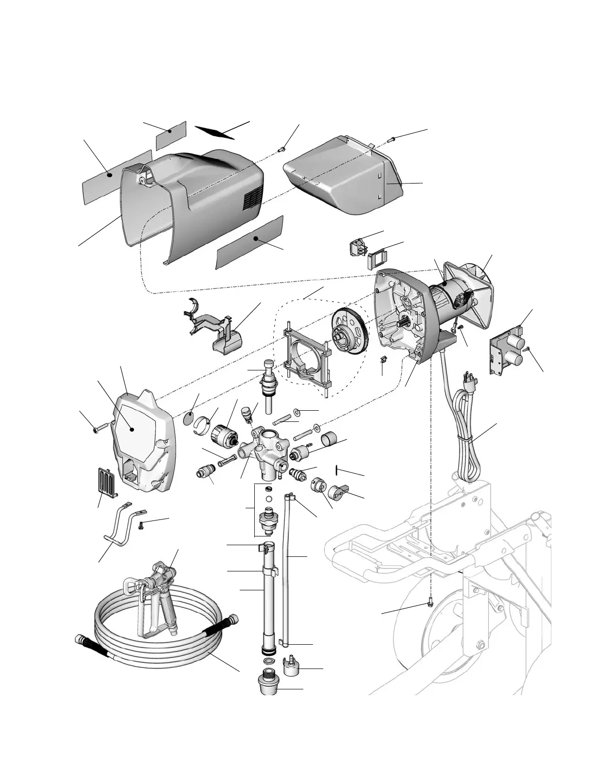
Parts
313036N 43
ProLTS 17, ProLTS 19 Models 257070, 257080 (Series A)
45
45d
116
66
45a
44
47
85
59
59
a
68
58
52
56
50
49
55
51
39
40
34
32
34
33
30
29
53
31
63b
6
6
3
3e
46
62b
67
67c
6
7b
67a
57
23
110
41
81
45b
45c
85
68a
63a
42
37
63d
63c
62a
3
5
62
ti11991a

Related product manuals