EasyManua.ls Logo

Graco NXT 25A641 - Page 6

Graco NXT 25A641
18 pages
Print Icon
To Next Page IconTo Next Page
To Next Page IconTo Next Page
To Previous Page IconTo Previous Page
To Previous Page IconTo Previous Page
Loading...
Repair
6 3A3442B
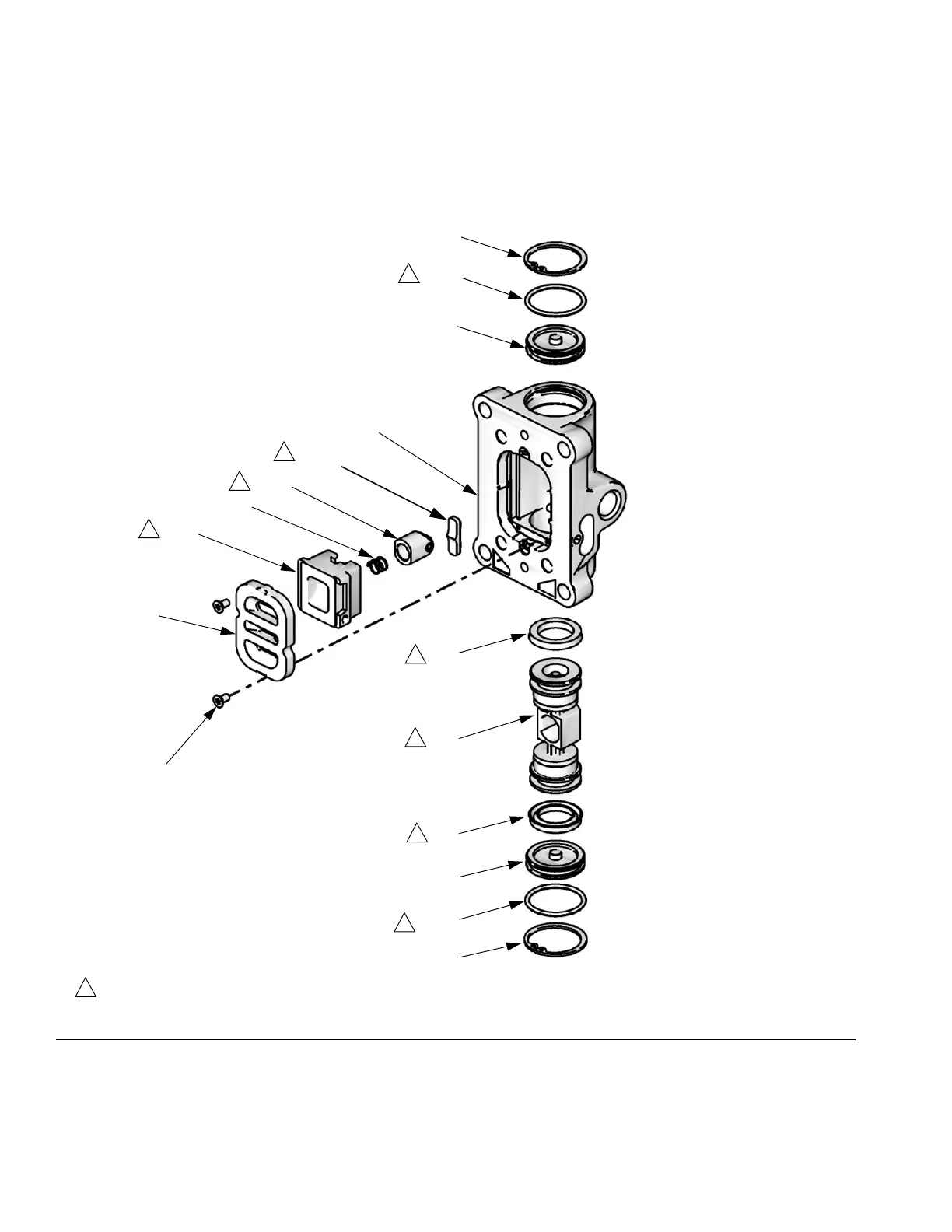
FIG. 2. Air Valve Assembly
1
Apply lubricant.
310
307
307
309
305
312
311
303
302
308
308
301
304
310
ti16213a
306
306
1
1
1
1
1
1
1
1

Related product manuals