EasyManua.ls Logo

Graco RTX 650 - Page 15

Graco RTX 650
24 pages
Print Icon
To Next Page IconTo Next Page
To Next Page IconTo Next Page
To Previous Page IconTo Previous Page
To Previous Page IconTo Previous Page
Loading...
CAPACITOR
BLACK
BLACK
BLUE
YEL
LOW
GROUND
GREEN
GREEN
BLACK
BLACK
WHITE
WHITE
BLACK
GREEN
POWER
SWITCH
SELECTOR
SWITCH
AIR COMPRE
SSOR
POWER
CORD
MOTOR
BLUE
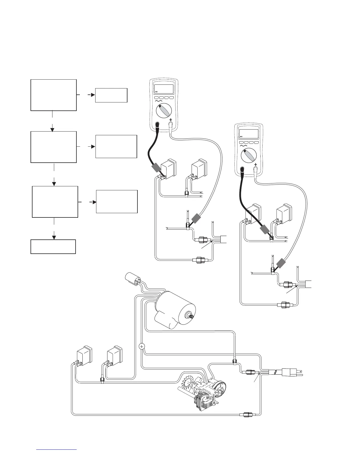
Air Compressor Motor motor will not run.
RTX 750 and RTX 1000
Step 1
110-120 AC
V
--
POWER
SWITCH
SELECTOR
SWITCH
BLACK
BLUE
--
WHITE
WHITE
BLACK
GREEN
POWER
CORD
To Motor
Yellow
++
Power switch ON.
Cord plugged in.
Meter on AC Volts
Step 2
110-120 AC
V
--
POWER
SWITCH
SELECTOR
SWITCH
BLACK
BLUE
--
WHITE
WHITE
BLACK
GREEN
POWER
CORD
To Motor
Yellow
++
Power switch ON.
Cord plugged in.
Meter on AC Volts
YES
See step 1.
D
o you have
over 100 AC volts?
Repair or
r
eplace White
wire or wire splice.
See step 2.
D
o you have
over 100 AC volts?
Does the
Rotoflex motor
run?
YES
NO
See Motors
will not run
.
NO
NO
Repair or
r
eplace Black
wire or wire splice.
Replace the
Air Compressor.
YES
15

Related product manuals