EasyManua.ls Logo

Graco ULTRA PLUS+ 1000 - Page 28

Graco ULTRA PLUS+ 1000
40 pages
Print Icon
To Next Page IconTo Next Page
To Next Page IconTo Next Page
To Previous Page IconTo Previous Page
To Previous Page IconTo Previous Page
Loading...
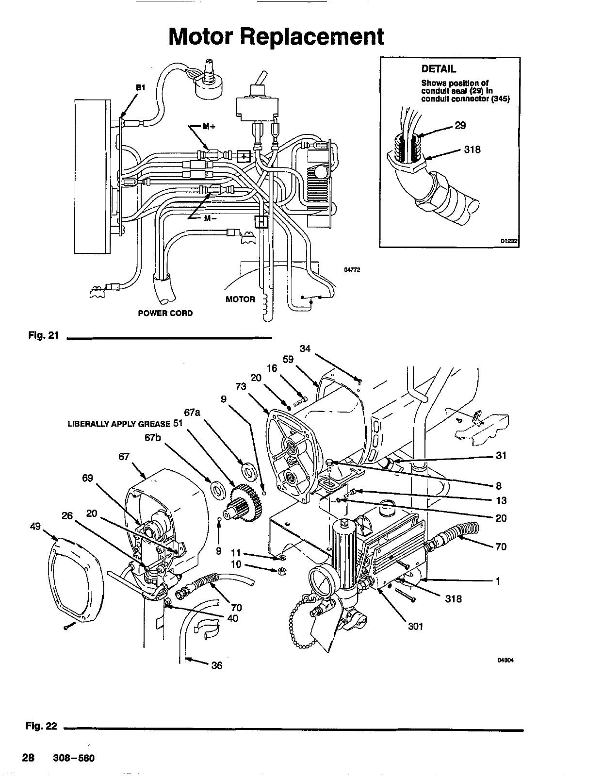
Fig.
21
Motor Replacement
DETAIL
I
34
Fig.
22
28
308-560

Related product manuals