EasyManua.ls Logo

Gram ECO PLUS - Wiring Diagram (Carel MPXpro)

Gram ECO PLUS
52 pages
Print Icon
To Next Page IconTo Next Page
To Next Page IconTo Next Page
To Previous Page IconTo Previous Page
To Previous Page IconTo Previous Page
Loading...
765042196 Rev. 000 37
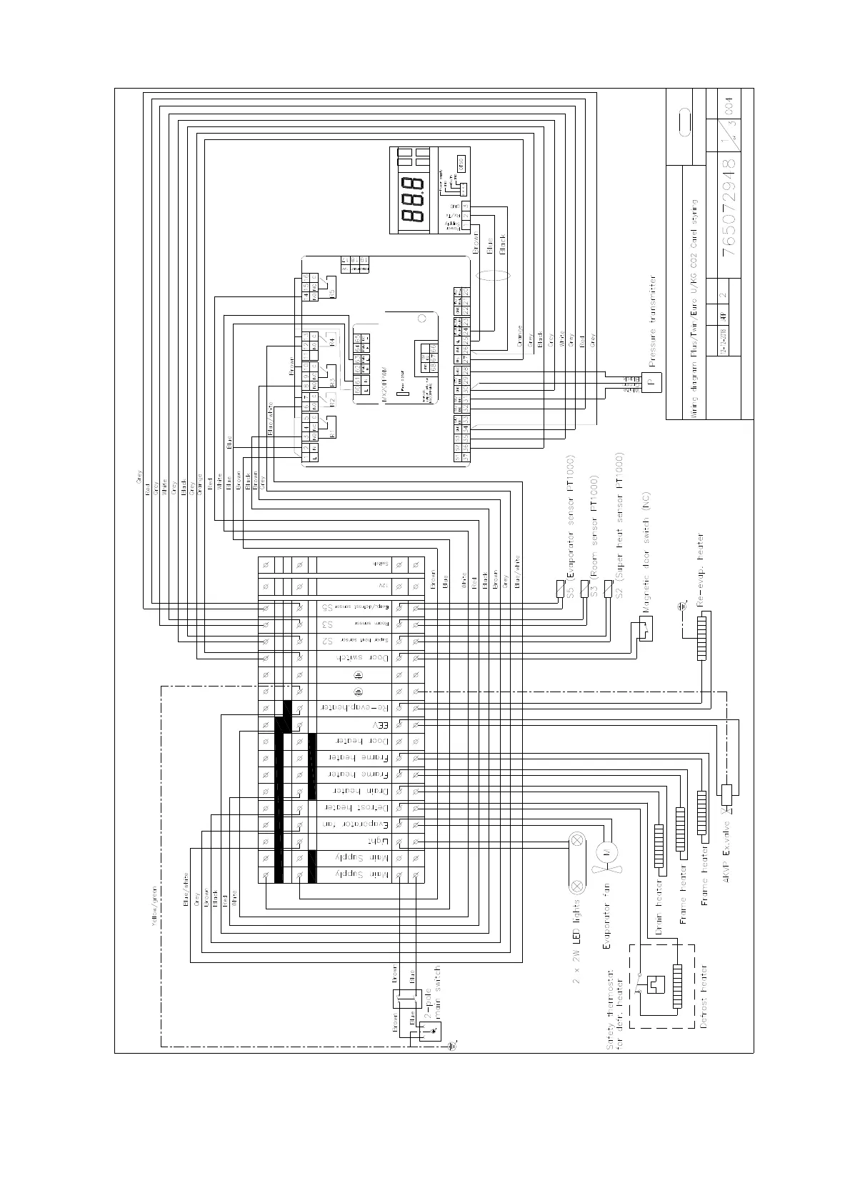
Wiring diagram Carel MPXpro
Inspection / important
Dimension marked with
Gram Commercial A/S
VOJENS
DENMARK
Date Sign. Sheetsize Drawing no.
X.XX
Description.
Revision
Generel tolerance:
ISO 2768-m : ISO 286-2
Sheet no. Rev.
All rights to this drawing belongs to Gram Commercial A/S, cf. law of Copyright. Thus the drawin g should notwithout our written
permission be copied, presented or passed over to a third person. Misuse will lead to prosecution.

Related product manuals