EasyManua.ls Logo

Gravely Treker 996122 - Transfer Case Components

Gravely Treker 996122
76 pages
Print Icon
To Next Page IconTo Next Page
To Next Page IconTo Next Page
To Previous Page IconTo Previous Page
To Previous Page IconTo Previous Page
Loading...
44
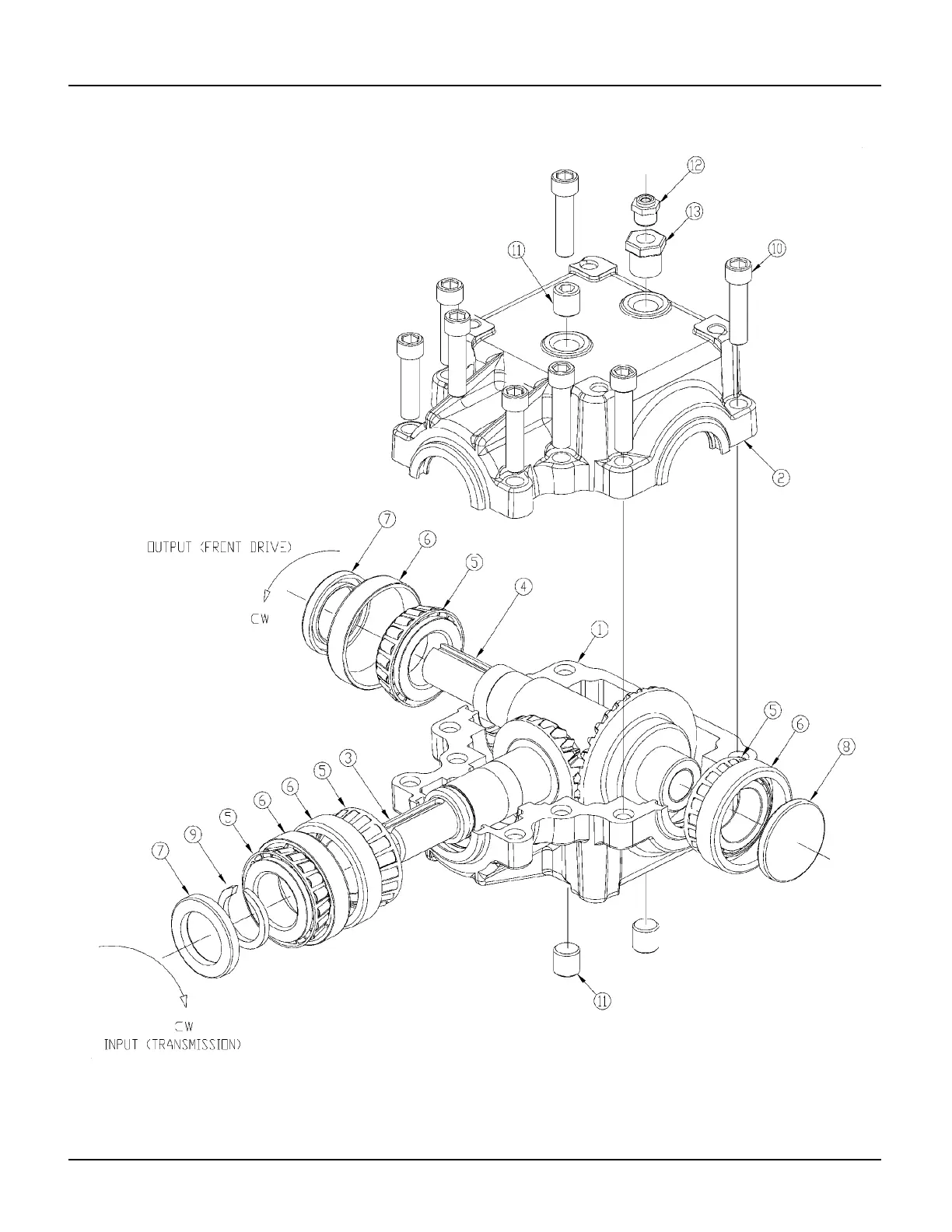
TRANSFER CASE COMPONENTS
Model 996122, 996124, 996143, 996144