EasyManua.ls Logo

Gravely Treker 996122 - Instrument Panel

Gravely Treker 996122
76 pages
Print Icon
To Next Page IconTo Next Page
To Next Page IconTo Next Page
To Previous Page IconTo Previous Page
To Previous Page IconTo Previous Page
Loading...
52
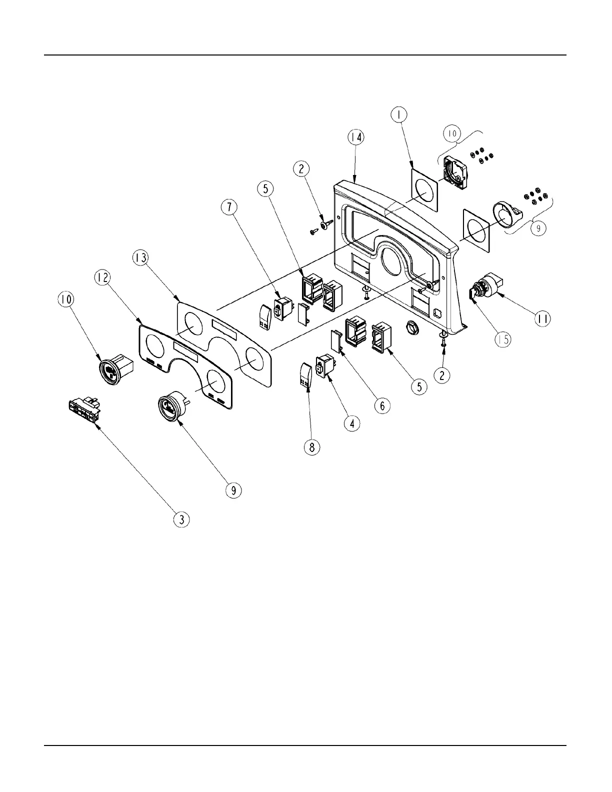
INSTRUMENT PANEL – 4 X 2
Model 996122, 996124, 996143, 996144