EasyManua.ls Logo

Grundig Aura - Page 11

Grundig Aura
37 pages
Print Icon
To Next Page IconTo Next Page
To Next Page IconTo Next Page
To Previous Page IconTo Previous Page
To Previous Page IconTo Previous Page
Loading...
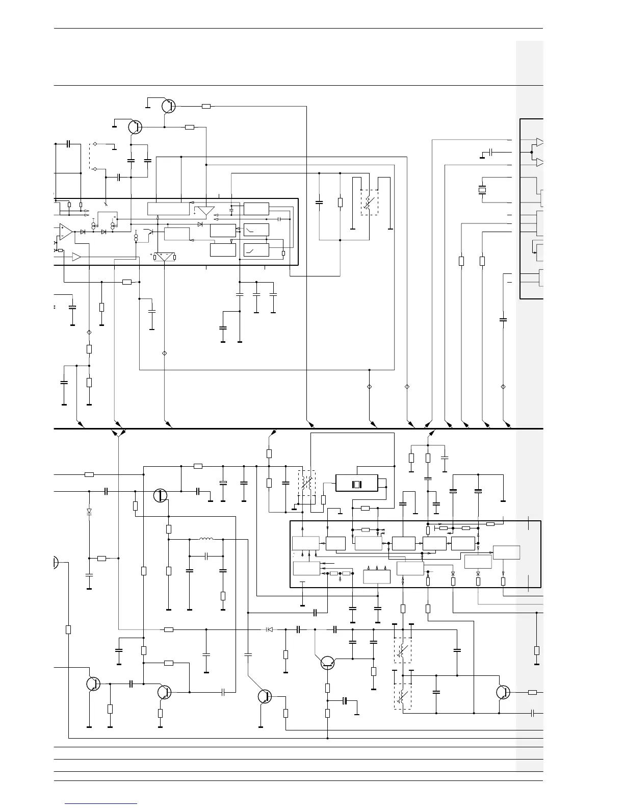
Schaltpläne und Druckplattenabbildungen / Circuit Diagrams and Layout of PCBs AURA
12 GRUNDIG Service
603
NP0
120P
CC649V
603
22N
CC637A
603
100N
CC626A
603
22N
CC627AL
603
2N7
CC623A
603
4N7
CC624A
603
100N
CC616A
603
100N
CC621A
805
1N0
CC617A
BC818/40
CT607AL
BC848C
CT604A
BC848C
CT603A
L
1
3
78
8140-535-116
L606A
1
3
78
8140-535-106
L607AL
603
15N
CC633V
603
CR117
33K
+
10U/16V
C117
OSCIN
HFRE
AM_IN
IF_FM
IF_AM
SDA
SCL
ADDR
OSCOUT
FM_IN
I
9
10
12
13
14
15
19
20
24
25
B101
603
100N
CC107
603
CR119
8K2
603
CR118
1K8
603
6N8
CC116
603
100N
CC119V
603
CR701V
10K
603
100P
CC109
603
CR702V
10K
603
100N
CC112
603
100N
CC113
603
22N
CC114
603
22N
603
22N
CC103
603
CC701
22N
8382-212-102
10MHz25
Q701
603
CC704
10N
603
CR114
47K
BC848C
CT103
1
3
78
L101
8140-535-256
603
CR113
10K
CT104
BC848C
603
10N
CC106
603
100N
CC108
805
CC635V
220N
1593T
1MHZ
50khz
DEMOD.
QUADRATUR
KOMP.
KLIRRFAKT-
DETEKTOR
VERSTIMM-
FM-AUS
SCHALTUNG
STUMM-
STOP-LOGIK
ABSTIMM-
TDA
U
REF
910
1112131415161718
9
23456 7 8
CIC101
8305-841-593
603
CR116
1K8
603
CR123FL
18K
603
CR645AH
5K6
603
100N
CC646A
603
22N
CC639A
603
22N
CC632V
805
NP0
180P
CC641V
603
CR636A
47K
603
47N
CC631A
603
100N
CC618A
603
10N
CC613A
603
100N
CC638A
603
100N
CC652A
BC848C
CT609AL
603
CR646A
22R
603
CR649AL
47K
603
CR647A
0R
603
CR631A
47R
603
CR616AL
1K8
603
CR644AL
22K
603
CR639A
47K
603
CR643AL
22K
603
22P
CC648A
603
CR628A
10R
603
CR629A
150R
603
CR622A
2K7
603
CR624A
47K
603
CR632A
10R
603
CR621A
680K
603
CR618A
100K
603
CR619A
180R
603
CR633A
3K3
603
CR641AL
10K
603
CR637A
1K8
603
CR648A
2K2
603
CR634A
22R
603
CR642AL
2K2
603
CR653V
10K
+
10U/16V
C644AL
B102
5UH6
CL603A
G
S
D
BF543
CT606A
7K
n. c.
50R
220R
170R
12K
7K
VR
V1 V2 V3
V1
+
V3
V2
VR(AGC)
3K525R
VR(AGC)
3K
RF STAGE
CONTROLLED
GAIN-
MIXER
BALANCED
DOUBLE
STANDBY
TROLLED IF
GAIN CON-
VOLTAGES
SUPPLY
INTERNAL
BALANCED
FULL-WAVE
DRIVER
SWITCH
AMPLIFIER DETECTOR
OSCILLATOR
CONTROLLED
AMPLIFIER
AF PRE-
INDIKATOR
AMPLIFIER
AGC
AMPLIFIER
IF
TDA1572T
n. c.
10987654321
20 19 18 17 16 15 14 13 12 11
8305-841-572
CIC601A
BC818/40
CT608AL
805
NP0
33P
CC642AL
781
34
6
8140-533-131
L604A
8309-428-511
BB512
CD602A
8309-428-511
BB512
CD603A
603
CR626A
1M0
603
CR623A
22R
603
CR627A
10R
805
NP0
270P
CC643AL
603
100N
CC614A
805
1N0
CC622A
805
1N0
CC628A
1206
CC629A
2N2 NP0
805
68N
CC111
603
CR638V
4K7
A2
A1
GND
E
4
3
2
1
8602-810-055
F601AH
FMP101
FMP102
FMP103 FMP104 FMP701
+
47U/10V
C619A
+
1U/50V
C634A
+
10U/16V
C636A
AM-ZF
+AM
MPX(RDS)MUTE
SDA
SCL
FELDST
FM/AM-ABST MPX
UREF
FM-OSZ
K-SIGNAL
AM-OSZ
FM-STOP
AM-NF
V3
GRI
GRI
LW 1,3V - ca. 5V
MW 1,0V - ca. 7V
701104103102101
M-ZF
M
IF
LW
MW
*
*
*
*
*
*
*
*
*
*
*
*
*
*
*
*
**
*
*
*
*
*
*
*
*
*
*
*
*
*
*
*
*
***
*
*
*
*
*
*
*
*
*
*
+9.2V

Related product manuals