EasyManua.ls Logo

Grundig RR 710 CD - Page 18

Grundig RR 710 CD
28 pages
Print Icon
To Next Page IconTo Next Page
To Next Page IconTo Next Page
To Previous Page IconTo Previous Page
To Previous Page IconTo Previous Page
Loading...
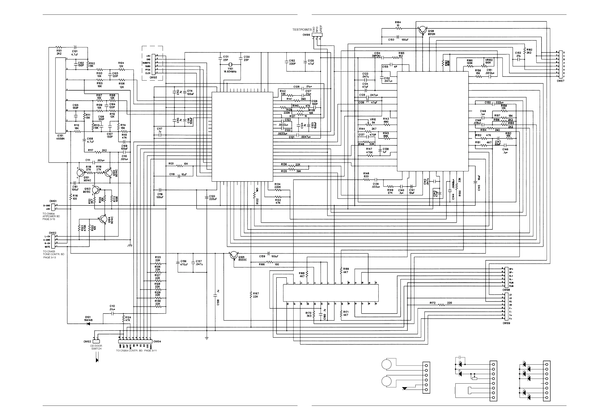
Schaltpläne und Druckplattenabbildungen / Circuit Diagrams and Layout of PCBs RR 710 CD / RR 750 CD Schaltpläne und Druckplattenabbildungen / Circuit Diagrams and Layout of PCBs RR 710 CD / RR 750 CD
GRUNDIG Service GRUNDIG Service3 - 8
CD
GLEICHSPANNUNGEN BEI "PLAY" GEGEN MASSE (GND) GEMESSEN.
DC-VOLTAGES MEASURED AGAINST MINUS TERMINAL (GND) ON "PLAY".
D
C
B
A
GND
K
E
F
LD
GND
PD
VR
FCS-
TRK-
TRK+
FCS+
FOCUS
TRACK
LASER HEAD BOARD
TO
CN108
TO
CN109
TO
CN107
TO
LASER
HEAD
BOARD
S
3 - 7
)
TO
CD MOTOR
BOARD
)
TO
LASER
HEAD
BOARD
)
+
-
+
-
DREHTELLERMOTOR
TURN TABLE MOTOR
SCHLITTENMOTOR
SLED MOTOR
CD MOTOR BOARD
INNEN-SCHALTER
INNER SWITCH
SP+
SP-
SL+
SL-
L.SW
L.SW
1
2
3
4
5
6
7
8
9
10
11
12
13
14
15
16
17
18
19
20
21
22
23
24
25
26
27
28
29
30
31
32
33
34
35
36
37
38
39
40
IC103
TC9284BF
GNDA1
RO
R-O
VDA
L-0
LO
GNDA2
TEST3
TEST4
TEST5
SBCK
VDD
GNDD1
BUS0
BUS1
BUS2
BUS3
CCE
BUCK
PFCK
RST
SUBSYC
SUBD
CLCK
64
63
62
61
60
59
58
57
56
55
54
53
52
51
50
49
48
47
46
45
44
43
42
41
VCDF
LPFO
LPFN
TMAX
PDO
PDCNT
VDDA
DTSC1
MONIT
DTSC2
GNDA3
RFI
VREF
RFRP
SBAD
TEOF
TESH
FEI
FEL1
FEL2
FKIC
FCSI
SEL
2VREF
80
79
78
77
76
75
74
73
72
71
70
69
68
67
66
65
GX
X1
X0
VDDX
TEST2
DOUT
EMPH
AOUT
BCK
CHCK
WDCK
COFS
SPDA
GNDD
TESTY
TX
V1
GND2
DFCT
TEL2
TEL1
TGUL
TGUH2
TGUH1
TKIC
FMON
TEST-1
FMFB
TEST
DMON
D1
D2
2CT
FSN
FSD
COSC
OSC1
GND
VCC
SEL
DMEP
DMEN
DMEO
RFT
RFN
MDI
LDO
FPI
FNI
TN0
TN1
TPI
TPO
RFO
RFI
VRO
ZVRO
RFRP
SBAD
DFIN
FEP
FEN
FEO
FEI
FHLD
FEL1
FEL
38
37
36
35
34
33
32
31
30
29
28
27
26
25
1
2
3
4
5
6
7
8
9
10
11
12
13
14
15
16
17
18
19
20
21
22
23
24
48
47
46
45
44
43
42
41
40
39
2.0V
2.1V
2.1V
4.2V
2.6V
0V
0V
2.1V
2.1V
2.1V
2.1V
2.0V
2.1V
2.1V
TSN
TEL2
TEL1
TSO
TS1P
TS1N
TS2P
TS2N
TS2O
THLD
FMSP
FMSN
FMSO
DF
2.1V
2.1V
2.1V
2.1V
2.1V
2.1V
2.1V
2.1V
2.1V
2.1V
2.1V
2.1V
2.1V
0V
0V
3.8V
2.1V
2.1V
1.8V
0V
0V
1.8V
2.1V
2.1V
2.1V
2.1V
0V
5.0V
2.1V
2.1V
0V
IC103
TA2065BF
CH1
OUTA
CH1
OUTB
CH1
INA
CH1
INB
TR-B
VREG.
MUTE
GND1
CH2
INB
CH2
INA
CH2
OUTB
CH2
OUTA
GND2
OPOUT
GND3
CH4
OUTA
CH4
OUTB
CH4
INA
CH4
INB
BIAS
VCC2
VCC1
CH3
I
NB
CH3
INA
CH3
OUTB
CH3
OUTA
OPIN+
OPIN-
IC104
KA9258D
or
BA639FB
4.4V
2V
3.8V
0V
0V
0V
0V
0V
4.9V
5V
0V
0V
5V8V
7.4V
NOT
CONNECTED
VCC 4.3V
3.8V
3.8V
GND
3.8V
3.8V
4.3V
7.7V
VOLTAGES IC102 TC9284BF
PIN 1 2 3 4 5 6 7 8 9 10 11 12 13 14 15 16 17 18 19 20 21 22 23 24
V 0 2.8 3.0 5.0 3.0 2.8 0 - - - - 5.0 0 4.1 4.0 4.0 4.0 3.5 4.4 2.3 5.0 0 0 0
PIN 25 26 27 28 29 30 31 32 33 34 35 36 37 38 39 40
V 5.0 0 - 2.1 2.1 2.1 - 2.1 1.7 2.1 - 1.8 - 2.1 2.1 2.4
PIN 41 42 43 44 45 46 47 48 49 50 51 52 53 54 55 56 57 58 59 60 61 62 63 64
V 4.2 5.0 2.5 2.5 2.1 2.1 2.1 2.1 2.1 2.3 2.6 2.6 2.1 0 2.4 5.0 0 0 0 2.1 2.1 2.1 2.0 1.3
PIN 65 66 67 68 69 70 71 72 73 74 75 76 77 78 79 80
V 0 5.0 0 0 1.6 2.5 2.5 2.5 2.5 0 2.4 5.0 5.0 - 2.2 0
VOLTAGES IC104 KA9258D
PIN 1234567891011121314
V 3.8 3.7 2.1 2.1 7.4 0 0 0 2.1 2.1 4.2 3.2 0 7.6
PIN 15 16 17 18 19 20 21 22 23 24 25 26 27 28
V - - 3.7 3.7 - 2.1 8.0 8.0 2.1 2.1 - 3.7 3.7 0
5.0V

Related product manuals