EasyManua.ls Logo

Grundig RR 710 CD - Page 22

Grundig RR 710 CD
28 pages
Print Icon
To Next Page IconTo Next Page
To Next Page IconTo Next Page
To Previous Page IconTo Previous Page
To Previous Page IconTo Previous Page
Loading...
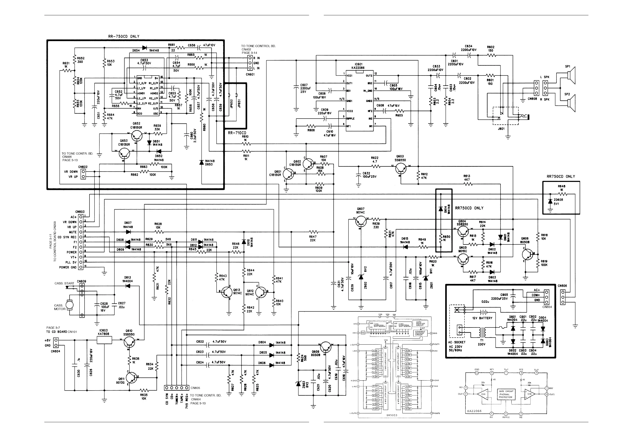
Schaltpläne und Druckplattenabbildungen / Circuit Diagrams and Layout of PCBs RR 710 CD / RR 750 CD Schaltpläne und Druckplattenabbildungen / Circuit Diagrams and Layout of PCBs RR 710 CD / RR 750 CD
GRUNDIG Service GRUNDIG Service3 - 15 3 - 16
NF-Teil und Stromversorgung / AF Part and Power Supply
BLOCK A
2
1
3
(CD)
0.6V
(CD)
0.08V
(CD)
15.3V
(CD)
14.3V
0V
0V
0V
0.6V
S
S
5.5V
12V
6.2V
15.5V
15.5V
15V
15.5V 15.5V
14.8V
7.8V
0.6V
HEADPHONE
15V
15.5V
15.5V
0V
0.6V
0V
15.2V
7.7V
0.6V
8.2V
15.5V
15.2V
7.7V
15.5V
0V
0V
0V
0V
RR 710 150
RR 750 100
RR 710 150
RR 750 100
7.1V
7.1V
0V
0V
0V
0V
7.1V
6.2V
0V
0V
0V
0V
0V
0V
I602
BA5053
0V
0V 7V
0V
0V
7V
(CD)
15.1V
(CD)
8.0V
RR 710 CD: Alle Bauteile in Block A nicht bestückt, JP651 + JP652 geschlossen.
Omit all components in Block A, connect JP651 + JP652.
RR 750 CD: Alle Bauteile in Block A bestückt, JP651 + JP652 geöffnet.
Put all components in Block A, omit JP651 + JP652.
KA22066
7.7V
8.3V
15.7V
BA5053
S
FUSE
F801
T 2AL /
250V

Related product manuals