EasyManua.ls Logo

Grundig STR 6000 - Page 16

Grundig STR 6000
Print Icon
To Next Page IconTo Next Page
To Next Page IconTo Next Page
To Previous Page IconTo Previous Page
To Previous Page IconTo Previous Page
Loading...
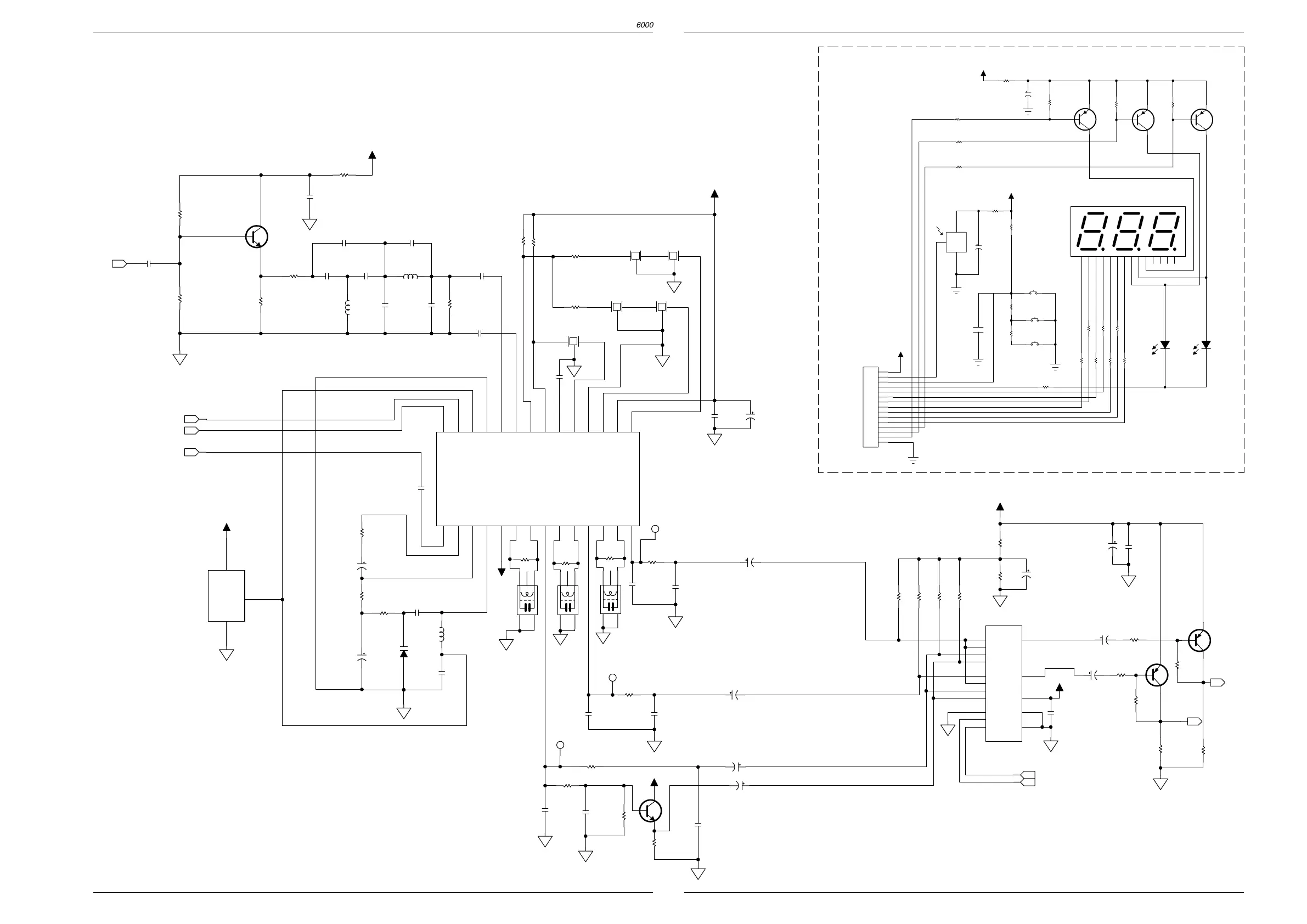
Schaltpläne und Druckplattenabbildungen / Circuit Diagrams and Layout of PCBs STR 6000 Schaltpläne und Druckplattenabbildungen / Circuit Diagrams and Layout of PCBs STR 6000
GRUNDIG Service GRUNDIG Service2 - 7 2 - 8
FR VIDEO SECTION
50u R
J17 R
12.0V
5.4V
4.78V
0.5V
2.6V
1.5V
5.0V
5.0V
2.3V
2.3V
2.3V
2.3V
2.3V
2.3V
2.76V
2.47V
2.66V
2.3V5.6V2.3V2.3V 0V2.3V5.0V5.0V3.0V3.0V0V5.0V5.8V5.8V
5.6V
4.0V
0V
0V
5%
Q301
2SC1815Y
R301
1K
R302
150
C302
NPO68P
C301
NPO68P
C304
150P
C303
100P
C305
100P
L303
2.7uH
R303
1K
L302
5.6uH
OSC
INTEG OUT
VCO
CA
IF
IF
IF
IF
2
3
1
IF REF.
MIX IN REF.
MIX IN
SCL
SDA
IF
IF
PD OUT
INTEG IN
/
D-VS
A-GND
A-VS
D-GND
AF OUT-1
AF OUT-2
AF OUT-3
MIX OUT-1
KIX OUT-2
IF IN-1
IF IN-2
IF IN-3
1
2
3
4
5
6
7
8
9
10
11
12
13
14 15
16
17
18
19
20
21
22
23
24
25
26
27
28
U301
TDA6160-2X
0Y
1Y
2Y
3Y
Y
0X
1X
2X
3X
X
VDD
INH
A
B
VEE
VSS
1
5
2
4
12
14
15
11
6
10
9
3
13
16
7
8
U303
4052
C311
0.1u
1
2
3
CF301
10.7M280
1
2
3
CF302
10.52M150
1
2
3
CF303
10.7M150
C312
0.1u
R311
470
R312
470
R315
910
C317
M0.082u
C318
10u/16V
R313
15K
C315
1000P
R314
10K
L304
1.8uH
R316
910
R318
3.3K
C322
M0.056u
C324
10u/16V
R319
12K
C323
M0.033u
C325
10u/16V
C320
10u/16V
C341
0.1u
C321
M0.082u
C319
0.1u
R351
33K
R352
33K
R353
33K
R354
33K
R355
1K
R356
2.2K
C345
10u/16V
R360
300
R359
300
C326
0.1u
C327
56P
1
23
4
5
IFT301
IFT-10.7M
1
23
4
5
IFT302
IFT-10.7M
1
23
4
5
IFT303
IFT-10.7M
D301
BB909B
C306
0.1u
R310
150
R331
100
R332
100
1
2
3
CF305
10.52M150
1
2
3
CF304
10.7M150
R333
47K
C316
1u/50V
C313
10u/16V
C355
0.1u
C170
1200P
C169
1200P
C160
1200P
R350
2.2K
R348
2.2K
R349
1.8K
R373
47K
R374
47K
C358
0.1u
C330
47u/16V
GND
PWR
+5V
2
1
3
U304
78L05
E
B
C
Q302
2SA1015Y
E
B
C
Q303
2SA1015Y
R366
50K
R365
50K
R364
4.7K
R363
4.7K
C361
10u/16V
C362
10u/16V
C346
10u/16V
C347
0.1u
C307
NPO39P
Q305
2SC1815Y
R362
10K
R361
1K
I
2
C_SDA
4M_CLK
AUDIO_SW2
AUDIO_SW1
AUD-SAT-L
AUD-SAT-R
+5VA
+5VA
+5VA
+12V
+5VD
B/B
+12V
I
2
C_SLK
TP5
TP4
TP3
+5V
IR
KEYB
LED-D0
LED-D1
LED-D2
LED-D3
LED-D4
LED-D5
LED-D6
LED-D7
LED SEL1
LED SEL3
LED SEL2
STBY
TIMER
AK
LED2
AK
LED3
1
2
3
4
5
6
7
8
9
10
11
12
13
14
15
J701
+5VD
STBY
DOWN
UP
GND
VCC
1
2
3
IR1
IR-RX
R1
100
C1
47u/16V
SW3
SW2
SW1
R11
4K7
R10
2K4
R3
10K
C3
0.1u
+5VD
R9
1K
R8
1K
R7
1K
R6
10K
R4
10K
E
B
C
Q3
BC327
E
B
C
Q2
BC327
E
B
C
Q1
BC327
R5
10K
R2
22 1/4W
+5VD
C2
470u/10V
R13 270
R15 270
R17 270
R19 270
R12 270
R14 270
R16 270
R18 270
3DP
3D
3C3E
3G
3B3F
3A
1E
1D
1C
1DP
2E
2D
2G
2C
2DP
2B
2A
2F1B
1A
1G
1F
LED1
1234567891011121314
DISPLAY
+5V
Bedienteil /
Operating Part
Seite/page
2 - 10

Related product manuals