EasyManua.ls Logo

Grundig STR 6000 - Page 17

Grundig STR 6000
Print Icon
To Next Page IconTo Next Page
To Next Page IconTo Next Page
To Previous Page IconTo Previous Page
To Previous Page IconTo Previous Page
Loading...
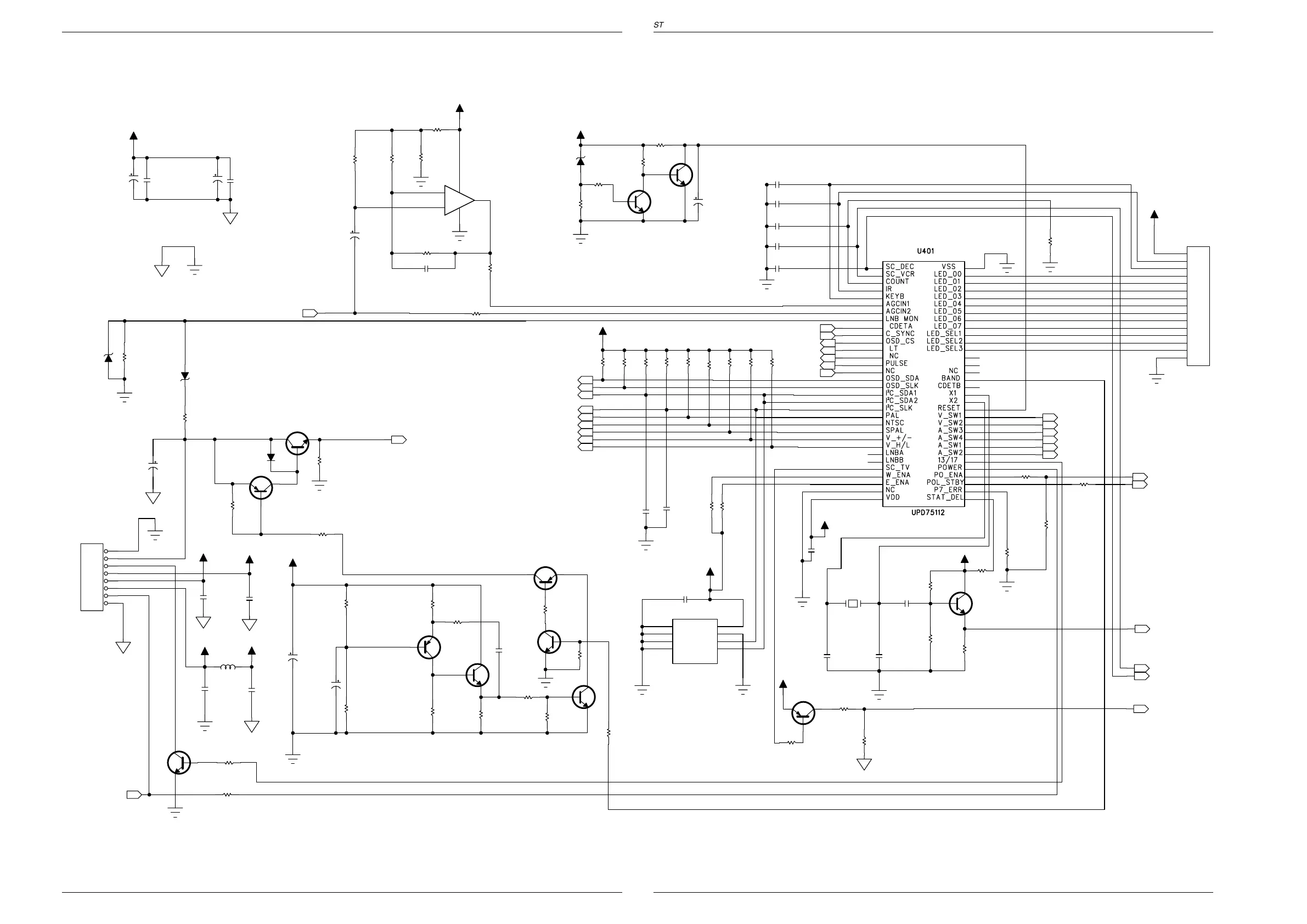
STR 6000 Schaltpläne und Druckplattenabbildungen / Circuit Diagrams and Layout of PCBs STR 6000 Schaltpläne und Druckplattenabbildungen / Circuit Diagrams and Layout of PCBs
GRUNDIG Service GRUNDIG Service2 - 9 2 - 10
+12V
13/18V
POWER ON/OFF
GND
5.8V
2.9V
2.9V
3.0V
5.8V
5.8V
0.6V
2.28V
12.0V
11.08V
12.0V
IR
KEYB
LED_D0
LED_D1
LED_D2
LED_D3
LED_D4
LED_D5
LED_D6
LED_D7
LED_SEL1
LED_SEL2
LED_SEL3
C410
470u/50V
1
2
3
4
5
6
7
8
J401
C408
0.1u
C409
0.1u
C406
0.1u
R420
1K
R421
100K
Z402
5.1V
Q410
2SA1015Y
R443
470 1/4W
R444
10K
R442
10K
1
2
3
4
5
6
7
8
9
10
11
12
13
14
15
16
17
18
19
20
21
22
23
24
25
26
27
28
29
30
31
32 33
34
35
36
37
38
39
40
41
42
43
44
45
46
47
48
49
50
51
52
53
54
55
56
57
58
59
60
61
62
63
64
R402
10K
R405
2.2K
C401
10u/16V
R403
10K
R404
10K
C402
NPO22P
C403
NPO22P
R460
5.6K
R461
10K
R462
1K
Z401
3.9V
R410
10K
R411
10K
R414
4.7K
R415
4.7K
R416
4.7K
R418
4.7K
R419
4.7K
R430
4.7K
R429
4.7K
R428
4.7K
1
A0
2
A1
3
A2
4
VSS
5
SDA
6
SCL
7
NC
8
VCC
U402
NM24C16
C405
0.1u
C412
NPO22P
R427
4.7K
R426
4.7K
C432
NPO22P
C431
NPO22P
C445
NPO22P
C446
NPO22P
C456
NPO22P
R467
10K
R469
10K
R458
10K
5
+
6
-
7
8
4
U204A
LM392
R432
10K
R431
10K
R433
680K
Q407
2SC1815Y
Q406
2SC1815Y
C444
NPO22P
Q408
2SC1815Y
L401
100uH
C407
0.1u
C420
0.1u
C422
M0.22uF
R434
10K
R435
10K
C413
47u/16V
Q401
2SC1815Y
R441
10K
Q415
2SD882
D403
1N4148
Q414
2SA1015Y
R481
10K
R480
10K
R472
4.7K 1%
R473
4.7K 1%
R474
12K 1%
R475
10K 1%
R477
2K 1%
R476
1K 1%
R479
2.2K
R478
10K
Q412
2SC1815Y
Q413
2SC1815Y
Q411
2SA1015Y
C465
M3300P 5%
C464
47u/16V
C463
47u/16V
Q416
2SC1815Y
R485
1.2K
R483
10K
R484
1K 1W
Z405
10V
R445
10
C462
47u/16V
C461
0.1u
C459
0.1u
C460
470u/16V
1
2
3
4
5
6
7
8
9
10
11
12
13
14
15
J402
R256
47K
R255
3.3K 1/4W
R272
100 1/4W
R400
820
Q417
2SA1015Y
R482
10K
SC_TVOUT
AGND
+12V
AGND
+27V
AGND
+5VD
+5VD
AGND
GND
+5VD
GND
+5VD
AUDIO_SW4
AUDIO_SW3
AUDIO_SW2
AUDIO_SW1
VIDEO_SW2
VIDEO_SW1
C_SYNC
OSD_CS
+5VD
+5VD
+5VD
4M_CLK
OSD_SDA
OSD_SLK
I
2
C_SDA
I
2
C_SLK
FB_SW
V_M1
VIDEO_+/-
VIDEO_H/L
+5VD
+5VD
+5VD
+5VD
SC_DECODER
SC_VCR
+5VD
LNBA
AFT2
LT
AGND
AGC
GND
+5VD
GND
AGND
+5VA
POWER_ON/OFF
+5VD
+12V
+5VA
+5VD
AFT1
+5VD
DOWN_LOAD_SCL
DOWN_LOAD_SDA
V_SW3
V_MUTE
AUDIO_MUTE
C404
NPO3P
1
2
X401
4MHz
AGND
GND
Seite/page
2 - 2
Seite/page
2 - 8

Related product manuals