EasyManua.ls Logo

GYS STARTIUM 330E - Page 61

GYS STARTIUM 330E
Print Icon
To Next Page IconTo Next Page
To Next Page IconTo Next Page
To Previous Page IconTo Previous Page
To Previous Page IconTo Previous Page
Loading...
61
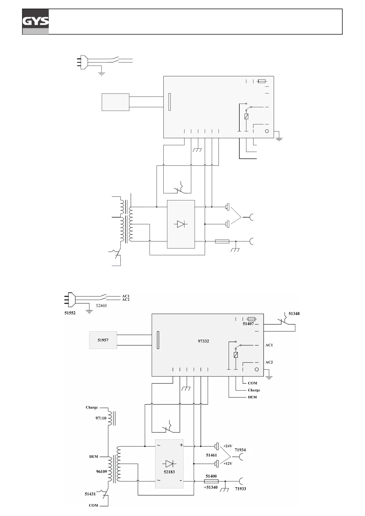
STARTIUM 330E / 480E / 680E / 980E
STARTIUM 680E
STARTIUM 980E
AC1
AC2
COM
Charge
DEM
52460
AC1
AC2
COM
Charge
DEM
+12V
+24V
+
-
~
~
21493
51957
97283
51407
51463
71932
71931
51400
52222
51426
96104
+51390

Other manuals for GYS STARTIUM 330E

Related product manuals