EasyManua.ls Logo

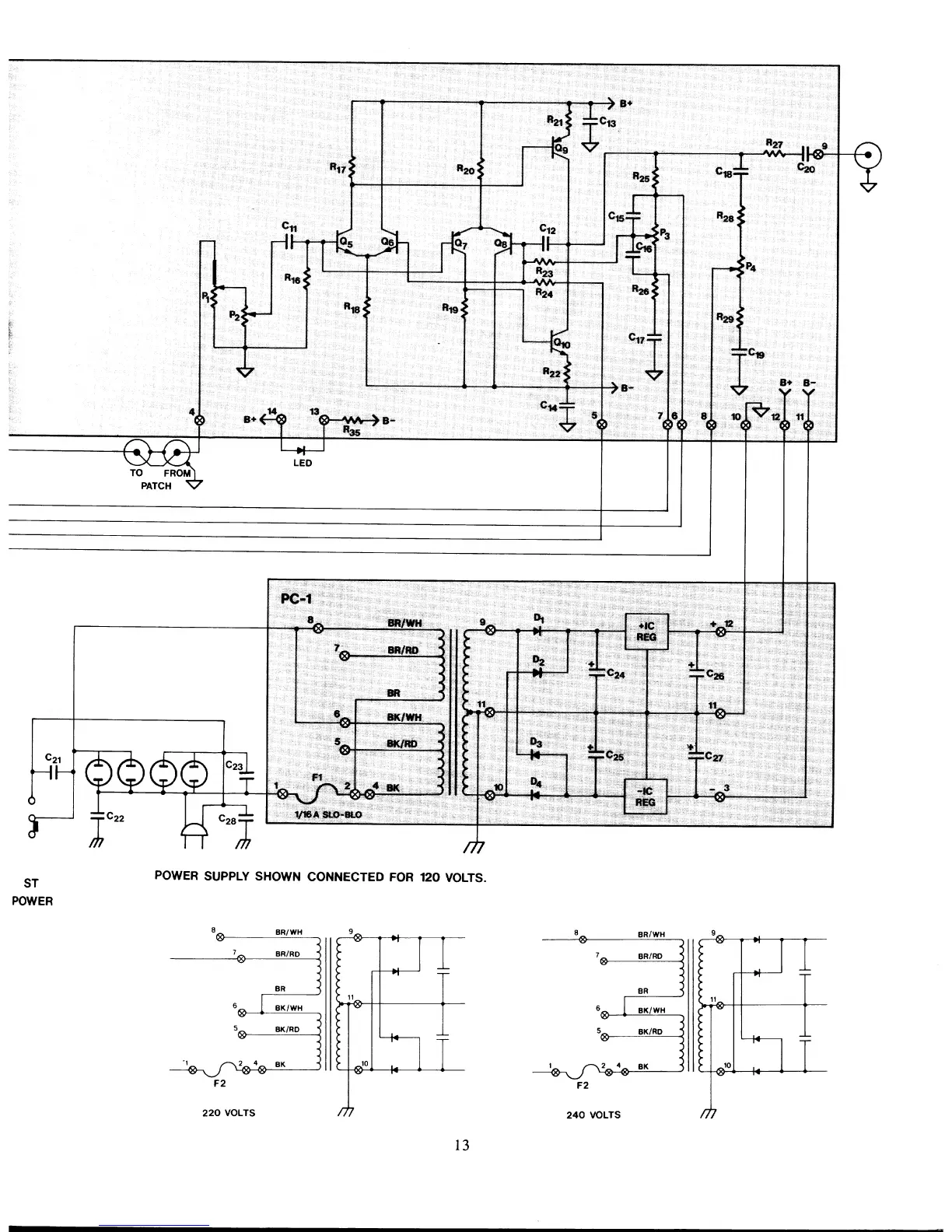
Hafler DH-101 - Power Supply Circuit Details; 120 Volt Power Supply Schematic; 220 Volt Power Supply Schematic; 240 Volt Power Supply Schematic

Hafler DH-101
24 pages
Print Icon
To Next Page IconTo Next Page
To Next Page IconTo Next Page
To Previous Page IconTo Previous Page
To Previous Page IconTo Previous Page
Loading...