EasyManua.ls Logo

Haier LE32B7600 - Page 60

Haier LE32B7600
66 pages
Print Icon
To Next Page IconTo Next Page
To Next Page IconTo Next Page
To Previous Page IconTo Previous Page
To Previous Page IconTo Previous Page
Loading...
60
R707
4K7 1/16W 5%
BRIGHT_ADJ 6
+5VS B
+3V3 SB
+12V_AUD +12V
R720
0R05 1/16W
H => PO W ER _ON
L => POW ER _OFF
+12V
FB702 120R
1 2
C743
22UF 6. 3V
FB701 NC/120R
1 2
R744
20.5K 1%
DVDD3V3
U706
G5695T11U
VIN
1
GND
2
EN
3
VFB
4
LX
5
R745
10K +-1% 1/16W
C744
1UF 10V
Vout = 0.6x(1+R1/R2)=1.5V
C745
2.2UF 16V
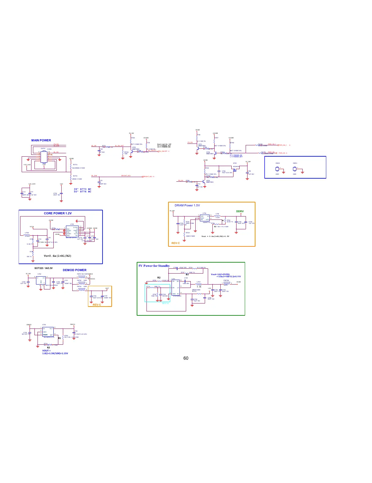
DRAM Power 1.5V
R1
R2
DDRV
REV:C
R708
4K7 1/16W 5%
PS_ON
R166
0R05 OHM
PWR_ON _1 6
PWR_ON _1
FB703 120R
1 2
DM1V2
3V3T
C720
10UF 10V
C706
10UF 6. 3V 20%
39" R773 NC
50" R774 NC
C723
NC/1UF 10V
C735
NC/10UF 6.3V 20%
R743
10K
+5VSB
L706
2.2uH
C747
100NF 16V
REV:C
+12V
C738
10uF 16V
C746
10UF 6. 3V 20%
FB704
300R
1 2
U701
SY8104AD C
LX
5
FB
1
EN
2
GND
3
IN
4
BS
6
R725 13.3K 1%
R737 100K 1%
L701
4.7uH
C703 470pF 50V
R738
100K 1%
R714 390K 1%
R713
0R051/8W
C740
100N 50V
R703 1K 1/16W 5%
C739
22UF 10V
+12V_AU D
REV: B
CN701
CONN
2
4
6
8
10
12
1
3
5
7
9
11
C734
22UF 10V
+5VSB
Vout= 0.6(1+R1/R2)
= 0.6x(1+100/13.3)=5.11V
U703
NC/ G9141T11U
IN
1
GND
2
SHDN
3
SET
4
OUT
5
R175
NC/0R05 OHM
PWR_ON
SOT223 1A/3.3V
DEMOD POWER
U702
AP2114H-3.3TRG1
VI
3
VO
2
GND
1
4
4
R1
R2
R740
NC/ 1.5K +-1% 1/10W
VOUT=
1.0
(
1+1.5K
/
10K
)
=1.15V
R773
NC/0R05 1/10W
R735
1K 1/16W 5%
+3V3SB
R726
4K7 1/16W 5%
BL_ON/OF F
Q705
MMBT3904
DM3V3
R722
4K7 1/16W 5%
5V_SW
BL_ON_OFF
BL_ON/OFF 6
C726
1UF 10V
PWR_ON 6
C717
4.7UF 10% 10V
R750
14.3K 1%
R741
NC/ 10K +-1% 1/16W
Q706
MMBT3904
VCCK
+5VSB
C725
10UF 6. 3V 20%
C724
2.2UF 16V
+5VSB
R739
0R05 1/16W
L702
2.2uH
U705
M5723B-33F61U
EN1
1
AGND
2
FB1
3
AGND
4
EN2
5
IN2
6
OUT2
7
IN1
8
PGND
9
LX
10
E-PAD
11
C719
NC/ 100N 16V
DM3V3
C715
1UF 10V
+3V3SB
+5VSB
R742
4K7 1/16W 5%
R732
15K 1%
+3V3SB
R1
R2
BRIGHT_ADJ
R721
100K1/16W
GND 3
GND
1
GND2
GND
1
C701
100PF 50V
Q702
AO3401A
C709
10N 50V
C702
1nF 50V
BL_DIM
CORE POWER 1.2V
BL_ON
Vo=0.6x(1+R1/R2)
R774
0R05 1/10W
C705
22UF 16V
PS_ON
3.3A
5V_SW
R753
4K7 1/16W 5%
C721
100NF 16V
C704
22UF 16V
R705
7K5 1/16W 5%
5V Power for Standby
Back Light On / Off
HI => POWER_OFF
LO => POWER_ON
BL_DIM
BL_ON
PS_ON
5V_SW
MAIN POWER
C711
0.1uF 50V
+5VSB
Q701
MMBT39 04
5V_SW
R706
1K 1/16W 5%
C713
100PF 50V
R704
47K 1/16W 5%
R709
4K7 1/16W 5%
C712
1UF 10V
C708
0.1uF 50V
Q703
MMBT3904
R701
100R 1/16W 5%
All manuals and user guides at all-guides.com