EasyManua.ls Logo

Hamworthy F150V - Figure E1.1 Typical Piping Layouts

Hamworthy F150V
68 pages
Print Icon
To Next Page IconTo Next Page
To Next Page IconTo Next Page
To Previous Page IconTo Previous Page
To Previous Page IconTo Previous Page
Loading...
HAMWORTHY HEATING LTD
53
FLEET V series
500001213/G
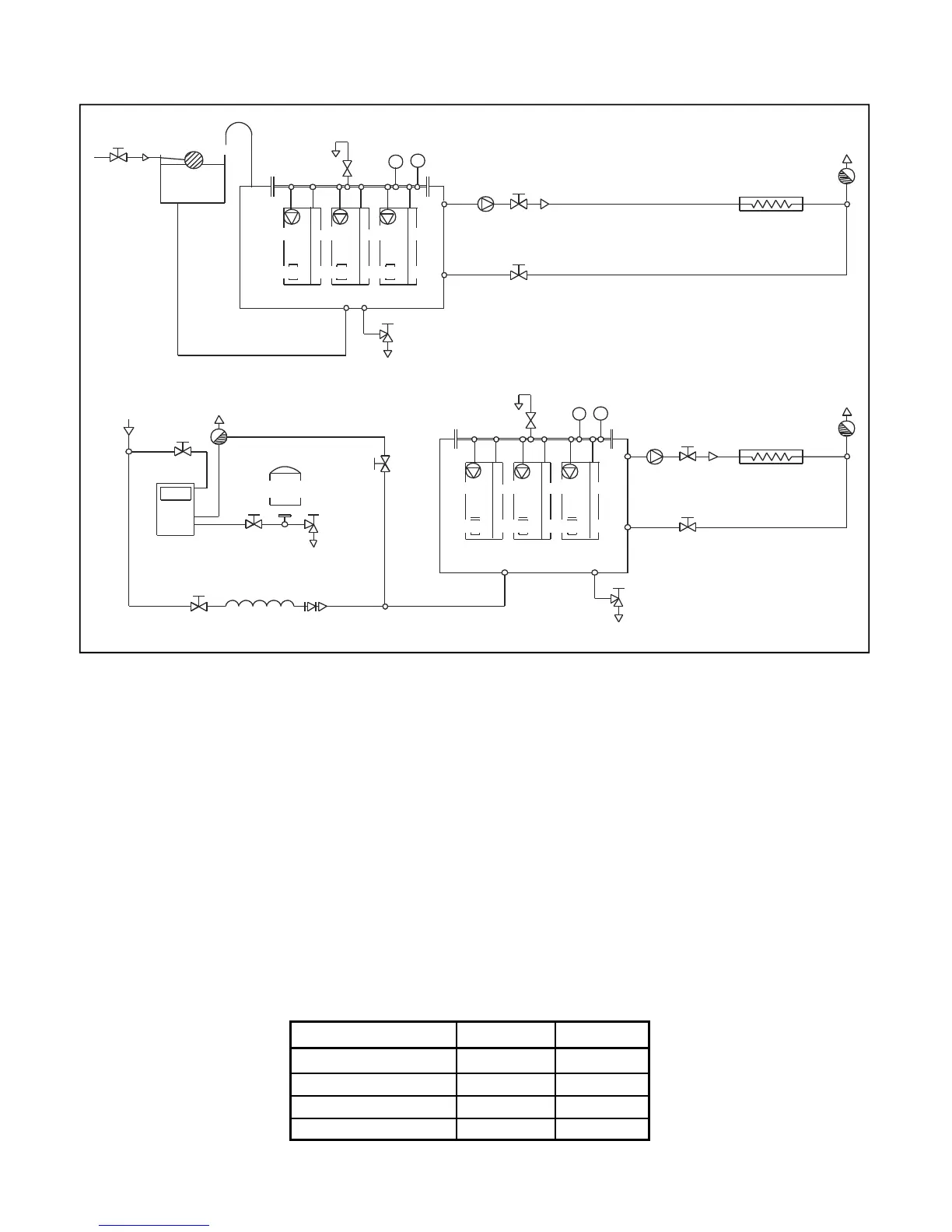
Figure E1.1 - Typical Piping Layouts
VENTED SYSTEM: Single pipe header
Mains water
Feed
pipe
expansion
Feed &
tank
valve
Float
Valve
Safety
valve
Drain
Expansion pipe
Pressure &
P
gauges
Temperature
T
Module
Module
Hamworthy Modular Boilers
Hamworthy Modular Boilers
1
1
Module
Module
2
2
Module
Module
3
3
Valve
Circulation pump
Valve
(System)
Automatic
Heating load
Air Vent
Circulation pump
Drain
UNVENTED SYSTEM: Single pipe header
Temperature
gauges
Pressure &
Safety
valve
P
T
Heating load
Automatic
Air Vent
Valve
(System)
Valve
Lockshield
valve
Mains water
Lockshield
valve
Drain
valve
vessel
Tem porary
fill line
valve
Lockshield
Double
valve
check
Expansion
Air Vent
Automatic
Valve
Drain
valve
valve
Drain
Boiler Output Feed mm Vent mm
60 - 150kW 25 32
150 - 300 kW 32 38
300 - 600 kW 38 50
>601 KW 50 65
Figure E1.4 Cold Feed and Vent Pipe Sizes
E 1.13 Minimum System Water Pressure
To comply with guidance note PM5 (Health and Safety Executive), the minimum pressure requirements at the boiler are
given below as examples:-
1) Single installed boiler running at 82°C flow temperature. Minimum head required is not less than 2.0 metres or 0.2 bar.
2) Single installed boiler running at 90°C flow temperature. Minimum head required = 3.0 metres or 0.30 bar.
3) Modular boiler installation running at 82°C flow temperature and 11°C rise across system.
Minimum head required = 4.4 metres or 0.43 bar.
4) Modular boiler installation running at 82°C flow temperature and 15°C rise across system.
Minimum head required = 6.5 metres or 0.64 bar.

Table of Contents

Related product manuals