EasyManua.ls Logo

Harman Kardon 150+ - Page 16

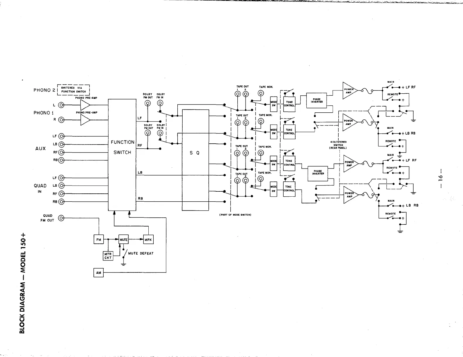
Harman Kardon 150+
20 pages
Print Icon
To Next Page IconTo Next Page
To Next Page IconTo Next Page
To Previous Page IconTo Previous Page
To Previous Page IconTo Previous Page
Loading...
+
0
II')
,-
.....
w
C
0
:E
I
:E
<(
~
(!)
s
C
~
u
0
.....
,:a
rS-;;-T~~y~I
PHONO 2
L"..".'.'.~'.'...:~~
PHONO
PRE-AMP
L
PHONO 1
AUX
R
LF
LB
RF
RB
LF
QUAD
IN
LB~
I
RF
RB
QUAD
FM
OUT
I
AM
-----------------=---=---~,..,.,_-,
1::121r:nc:r-e
.....,,
::-;-·
·,..
-:r:•
~~,_,-..;;-,
.,,,._,.
~.-s.J::·-
.:,;:_,:'~~-ac-
TAPE
OUT
TAPE
MON.
DOLBY
DOLBY
FM
OUT
FM
IN
TAPE MON.
~
DOLBY
FM
OUT
FUNCTION~
I
I
TAPE OUT
I
T~E
MON.
I ! !
SWITCH
s
Q
LB
RB
( PART OF MODE SWITCH)
PHASE
INVERTER
MAIN
OTE~
•+
,----~
"::::.:J..___
7_
I \
~
L-=.__,,
I
POWER
:\
-
----I
-
PHASE
INVERTER
I
t;AIN
I
e-----e+
LB
RB
4CH/iTEREO
REMOTE
;]
(RE1!
1
!:'EL)
.-e
+
I
MAIN
-=
RF
I
L....--"e-----e+
I V I
REM,OTE
~
I
r-7
~
,--------\
L
L~__,
~
I
POWER
~
=
___
_j
AMP
'
~AIN
e-----e+
LB
RB
-:-?
-0