EasyManua.ls Logo

Harman dbx ZonePRO 640 - Zonepro 1260 M;1261 M Block Diagram

Harman dbx ZonePRO 640
56 pages
Print Icon
To Next Page IconTo Next Page
To Next Page IconTo Next Page
To Previous Page IconTo Previous Page
To Previous Page IconTo Previous Page
Loading...
43
ZonePRO
TM
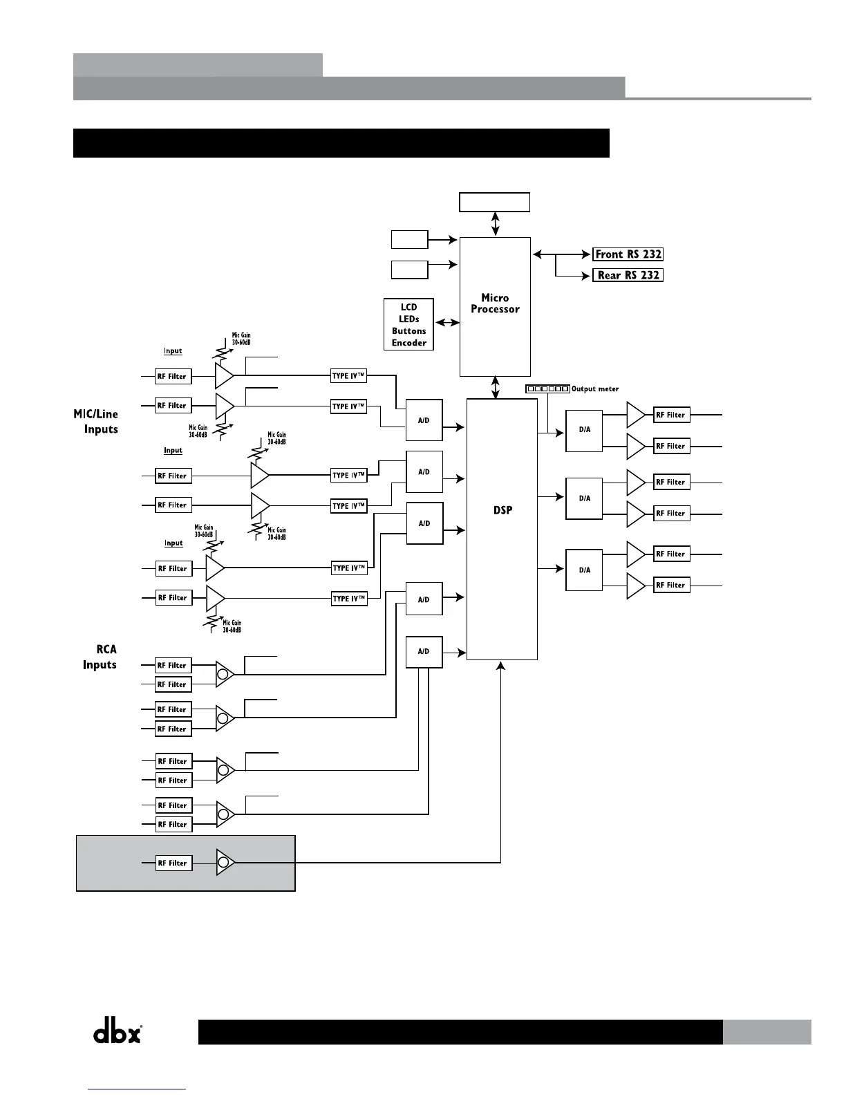
8.4 ZonePRO 1260m/1261m Block Diagram
L
R
L
R
+
+
Link In/Out
Link In/Out
Output 1
Output 2
Output 3
Output 4
Output 5
Output 6
ZC
Jack 1
ZC
Jack 2
1261m only
L
R
+
+
+
L
R
S/PDIF
Zone Pro 1260m/1261m Block Diagram
Ethernet
Link In/Out
Link In/Out
Link In/Out
Link In/Out
Section 8
Appendix