EasyManua.ls Logo

Hayward HP50BEE - Instructions Dinstallation

Hayward HP50BEE
44 pages
Print Icon
To Next Page IconTo Next Page
To Next Page IconTo Next Page
To Previous Page IconTo Previous Page
To Previous Page IconTo Previous Page
Loading...
6
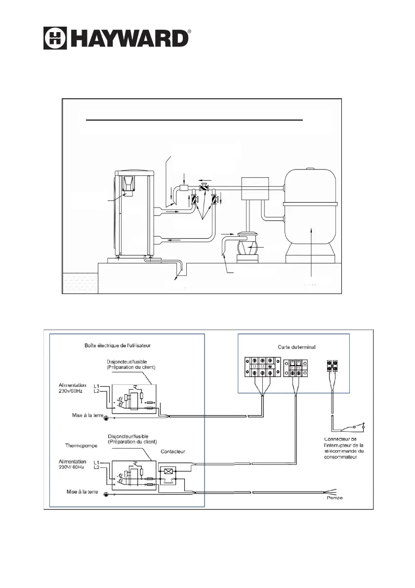
Diagramme de la tuyauterie de la thermopompe de piscine
Cordon
d’alimentation
Sortie
Entrée
Drainage
Filtre
Eau de la piscine
Pompe
Eau vers la piscine
Système
d’assainissement de l’eau
Vannes
V. Instructions d’installation
1. Diagramme pour le raccordement de la tuyauterie.
(Avis : Ce diagramme du plan de la tuyauterie ne sert qu’à titre de référence.)
2. Schéma de câblage
Remarque
La thermopompe de la piscine doit être mise à la terre.

Related product manuals