EasyManua.ls Logo

HBM T4A - 7 Dimensions

HBM T4A
20 pages
Print Icon
To Next Page IconTo Next Page
To Next Page IconTo Next Page
To Previous Page IconTo Previous Page
To Previous Page IconTo Previous Page
Loading...
14
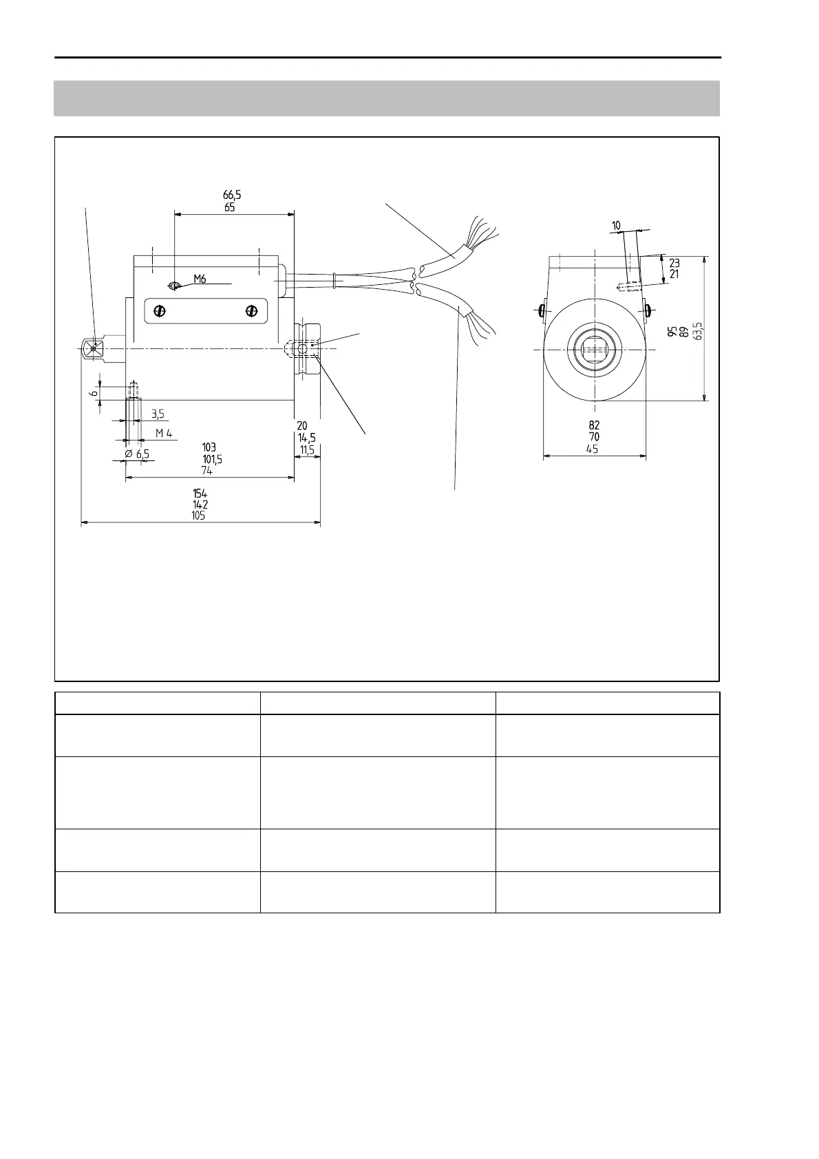
T4A, T4WA-S3
7 Dimensions
Type Output Input
T4A and T4WA-S3
550Nm
3/8’’ External square
DIN 3121F10
3/8’’ Internal square
DIN 3121G10
T4A and T4WA-S3
100Nm
T4A and T4WA-S3
200Nm
1/2’’ External square
DIN 3121F12.5
1/2’’ Internal square
DIN 3121G12.5
T4A and T4WA-S3
500Nm
3/4’’ External square
DIN 3121F20
3/4’’ Internal square
DIN 3121H20
T4A and T4WA-S3
1kNm
1’’ External square
DIN 3121F25
1’’ Internal square
DIN 3121H25
Torque,
T4A: 4-wire shielded cable, 3m long, unterminated
T4WA-S3: 6-wire shielded cable, 3m long, unterminated
Angle of rotation / rotation speed (T4WA-S3 only)
4-wire shielded cable, 3m long, unterminated
Output
external square
DIN3121
Input
internal square
DIN3121
1)
for T4../500Nm
2)
for T4../1kNm
2)
1)
1)
2)
2)
1)
1)
2)
1)
2)
2)
1)
2)
1)
1)
1)
2)
2)
Rotation arrow
SUNSTAR传感与控制 http://www.sensor-ic.com/ TEL:0755-83376549 FAX:0755-83376182 E-MAIL:szss20@163.com
SUNSTAR自动化 http://www.sensor-ic.com/ TEL: 0755-83376489 FAX:0755-83376182 E-MAIL:szss20@163.com

Related product manuals