EasyManua.ls Logo

Heathkit GR-78 - Page 54

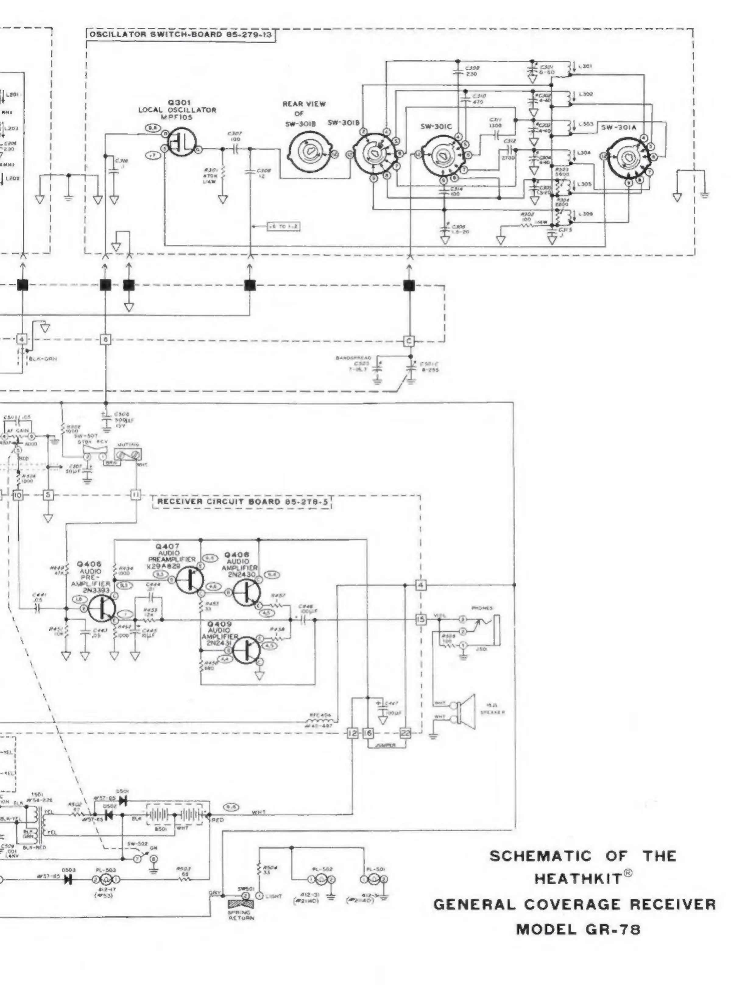
Heathkit GR-78
55 pages
Print Icon
To Next Page IconTo Next Page
To Next Page IconTo Next Page
To Previous Page IconTo Previous Page
To Previous Page IconTo Previous Page
Loading...
REAR
VIEW
oF
sw-3018
|
SW-3018
SCHEMATIC
OF
THE
HEATHKIT®
GENERAL
COVERAGE
RECEIVER
MODEL
GR-78

Related product manuals