EasyManua.ls Logo

Heathkit GR-78 - Page 55

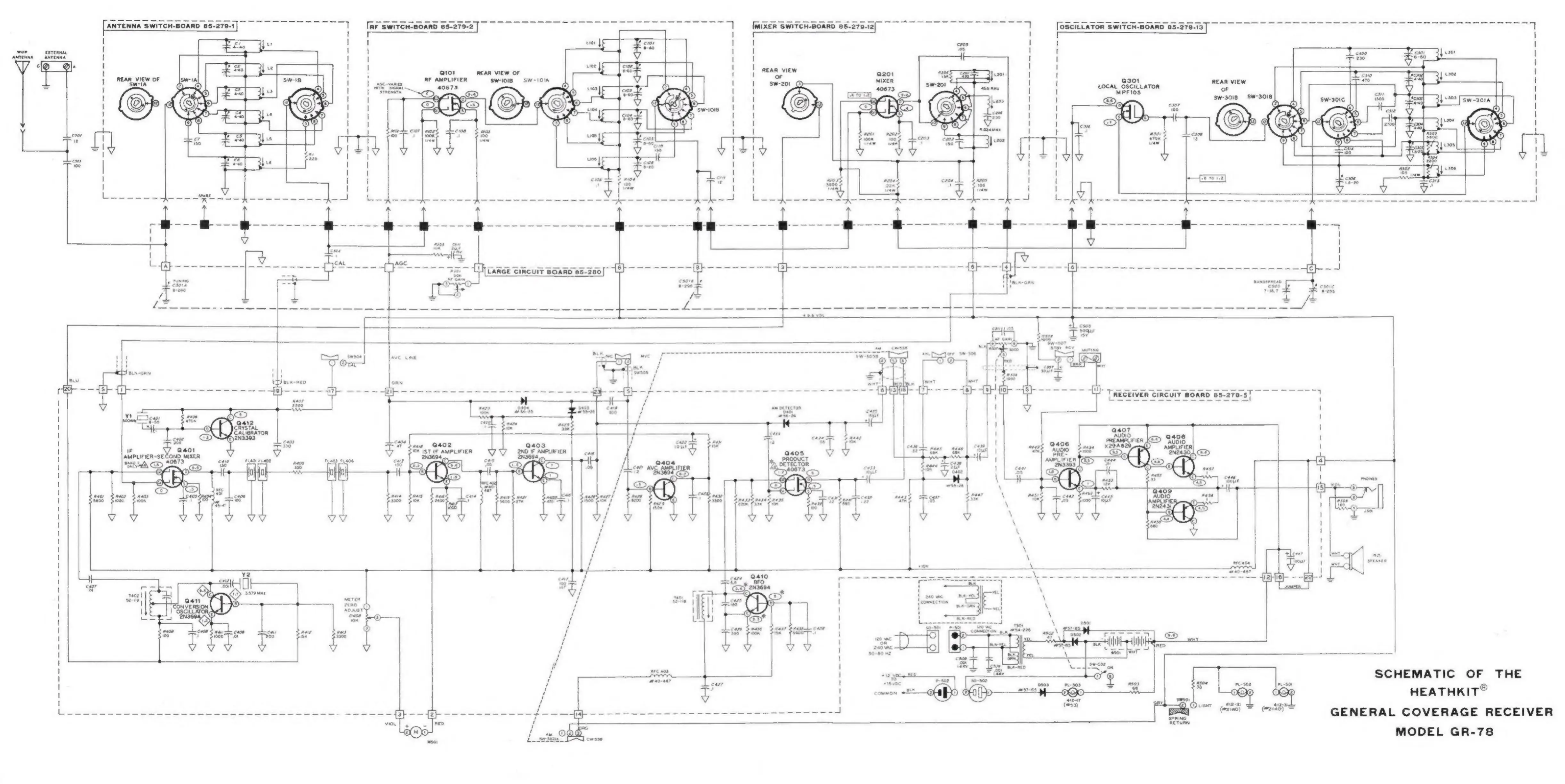
Heathkit GR-78
55 pages
Print Icon
To Previous Page IconTo Previous Page
To Previous Page IconTo Previous Page
Loading...
wae
exe
RNaL,
ANTENNA
ANTENNA
ator
RF
AMPLIFIER
q
REAR
VIEW
oF
sw-3018
SW-3018
eee
Sp
a
[RECEIVER
CIRCUIT
BOARD
85-278-5]
“i
¥,
5
pnt
the
Awpurien-se
Youd
we
°
aubuirien
40673
2N3303
>
Ss
am
‘t
SCHEMATIC
OF
THE
oem
aah
vas
af
360.
a
a
SOG
HEATHKIT®
ay
a
ee
a
eae
eee
GENERAL
COVERAGE
RECEIVER
MODEL
GR-78
ING
aeTuaN

Related product manuals