EasyManua.ls Logo

HHB CDR-850 - Page 77

HHB CDR-850
88 pages
Print Icon
To Next Page IconTo Next Page
To Next Page IconTo Next Page
To Previous Page IconTo Previous Page
To Previous Page IconTo Previous Page
Loading...
77
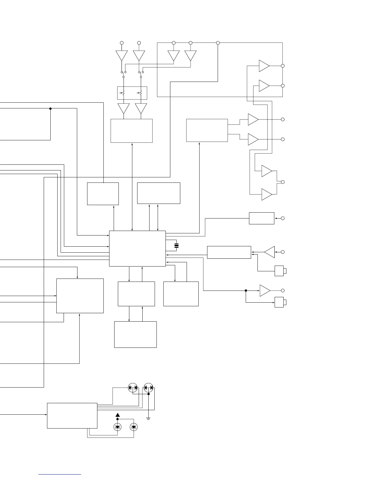
CDR-850
RFOPC(60pin)
AOUT(61pin)
CDLRCK, CDBCK
CDDATA, CDTX
DIRBCK
DIRLRCK
DIRDATA
ADLRCK
ADBCK
ADDATA
DALRCK
DABCK
DADATA
16.9344MHz
DIRBCK
DIRLRCK
DIRDATA
34.5744MHz
14.2872MHz
16.9344MHz
RFAC
RFAC
IC204
PD4956A
MECH. CONTROL
MICROCOMPUTER
IC308
LC89585
EFM ENCODER IC
WAVEFORM
SHAPING CIRCUIT
IC318
74HC4053
SW
IC309
PCX1021
VCO IC
IC309
BA7082
VCO IC
IC301
LH64256CK-70
D-RAM
IC801
AK5340-VS
AD CONVERTER
PIN INPUT
Lch Rch
XLR-3 INPUT
Lch Rch
Parallel
Remote
Lch
XLR-3
OUTPUT
Rch
Lch
PIN
OUTPUT
Rch
HP OUTPUT
Digital in
AES/EBU
Digital in
COAXIAL
Digital in
OPTICAL
Digital out
OPTICAL
Digital out
COAXIAL
IC401
PE8001A
DA CONVERTER
IC405
IC405
IC406
IC3001
SN75157P
REC VR
IC311
AD1893JST
Fs CONVERTER
IC704
BU2092F
LED DRIVER IC
MODE DISPLAY LED
D707, D708

Other manuals for HHB CDR-850

Related product manuals