EasyManua.ls Logo

Hill AFT - Page 17

Hill AFT
22 pages
Print Icon
To Next Page IconTo Next Page
To Next Page IconTo Next Page
To Previous Page IconTo Previous Page
To Previous Page IconTo Previous Page
Loading...
14
© Copyright 2020, Hill Laboratories
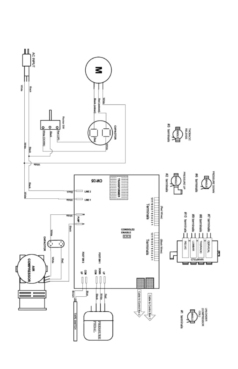
Wiring Diagram - AFT, 24VDC, Part 1
Air System for all AFT Models.