EasyManua.ls Logo

Himoinsa STANDARD - Page 26

Himoinsa STANDARD
48 pages
Print Icon
To Next Page IconTo Next Page
To Next Page IconTo Next Page
To Previous Page IconTo Previous Page
To Previous Page IconTo Previous Page
Loading...
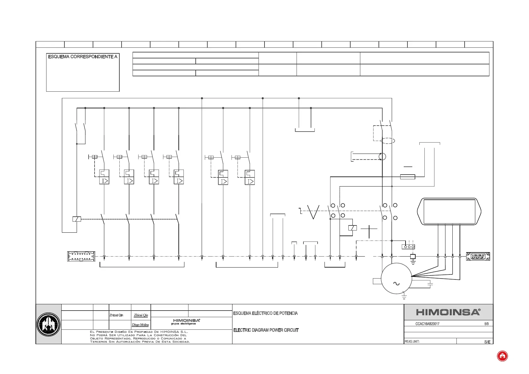
WIRING DIAGRAM | PAGE 26
F2
2A
ID 2P 30mA
LAMPS
ESQUEMA DE FUERZA
PART OF POWER (EXTERNAL)
LAMPARAS
SOCKETS
BASES
DIFFERENTIAL PROTECTION
PROTECCIÓN DIFERENCIAL
1
46
( 3.1)
033
033
46
46
33
LAS TENSIONES DE:
VOLTAGES:
DIAGRAM FOR THE FOLLOWING
220-230-240V
SINGLE PHASE
MONOFÁSICO
Q5 Q6
SALIDA A BASES
OUTPUT TO SOCKETS
6
7
4 5
21
6
3
J4 CONNECTOR
4
1 2
D1 D2
8 9 14 15
EXTERNAL GENSET
S1
ENTRADA POTENCIA EXTERNA
EXTERNAL POWER INPUT
P
N2
N1
1651
J2 CONNECTOR
10 119
3
1
2
12
1513 14 16
7 8654
Q1
B1
Q2
B2
Q3
B3
Q4
B4
2 3 4
SALIDA A LUCES
OUTPUT TO LIGHTS
A1 A2 A3 A4
A1 A2 A3 A4
133
G
PE
KM
A2
A1
K3
(3.6)
K4
(4.11)
K4
230V
K4
NO NC
(4.2)
N1
N1
LLLLLLLL
3 4 5 6
C1 C2 C3 C4
62
www.himoinsa.com
1 2 3 54 76 8 9 10 1211 1413 15 16
Telf. 968 191 128
APPROVED:
OLD CODE:
NEW CODE:
DESIGN:
REVISED/
NAME:
DATE: SIGNATURE
DESCRIPATION:
P.:
REVISION:
SCALE:
CODE:
CTRA.MURCIA-SAN JAVIER KM 23.600 C.P. 30730 - MURCIA - ESPAÑA
05/12/16
05/12/16
mm
00
Diego Molina
CCAC16AB20017-R0
1
2
4
3
8
6
5
7
8 7 2
1
AVR DSR
Black
Green
Yellow
Blue
3
2
N1
L
(3.16)
10 11 12 13
(5.9)
(5.4)(3.12)
N1
46
*TR1
( 3.1)
30
0
*TR1 ----OPTIONAL UNDER REQUEST
35
uF
*TR1 ----OPCIÓN BAJO PEDIDO