EasyManua.ls Logo

Himoinsa STANDARD - Page 42

Himoinsa STANDARD
48 pages
Print Icon
To Next Page IconTo Next Page
To Next Page IconTo Next Page
To Previous Page IconTo Previous Page
To Previous Page IconTo Previous Page
Loading...
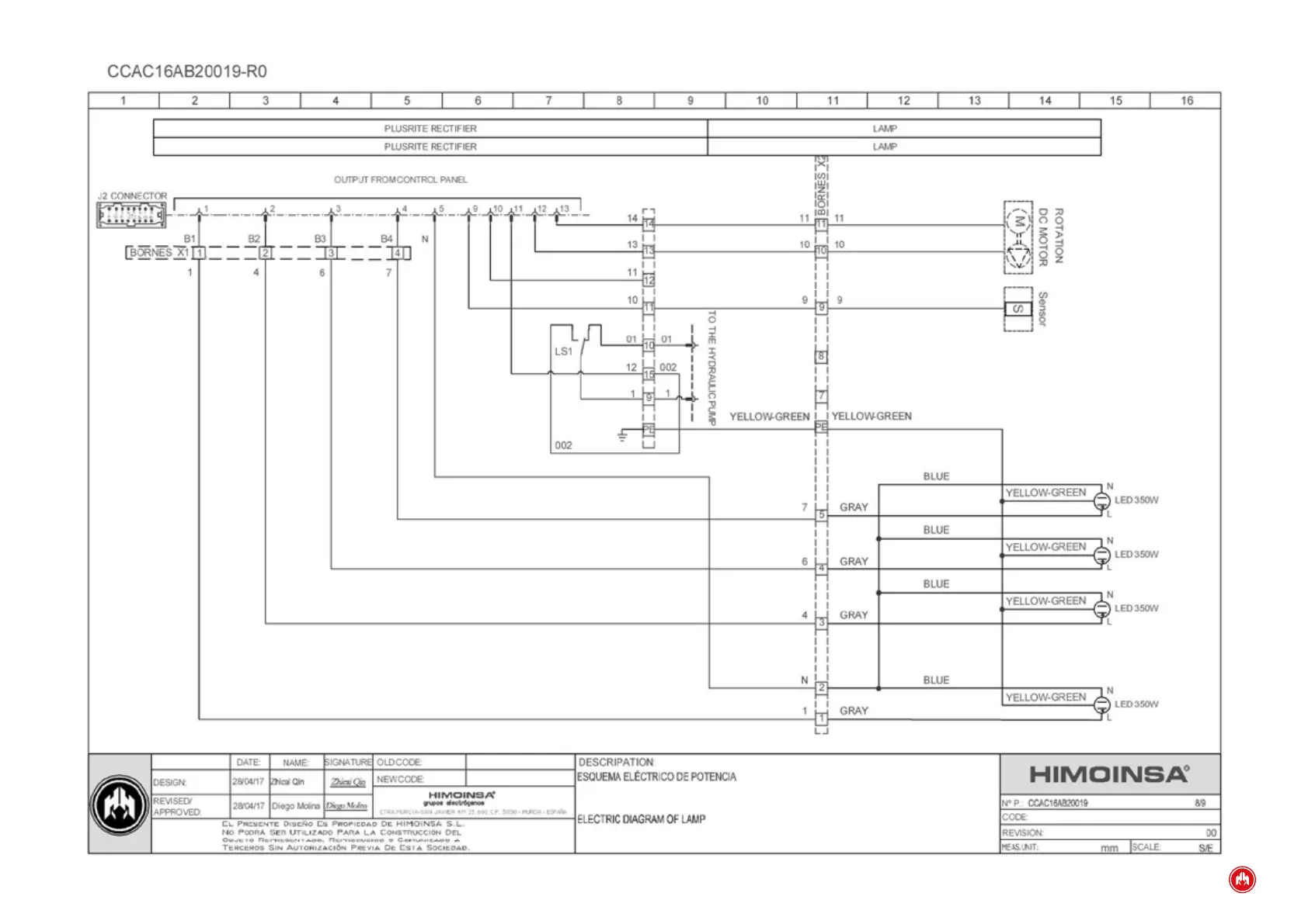
WIRING DIAGRAM | PAGE 42