EasyManua.ls Logo

Himoinsa STANDARD - Page 43

Himoinsa STANDARD
48 pages
Print Icon
To Next Page IconTo Next Page
To Next Page IconTo Next Page
To Previous Page IconTo Previous Page
To Previous Page IconTo Previous Page
Loading...
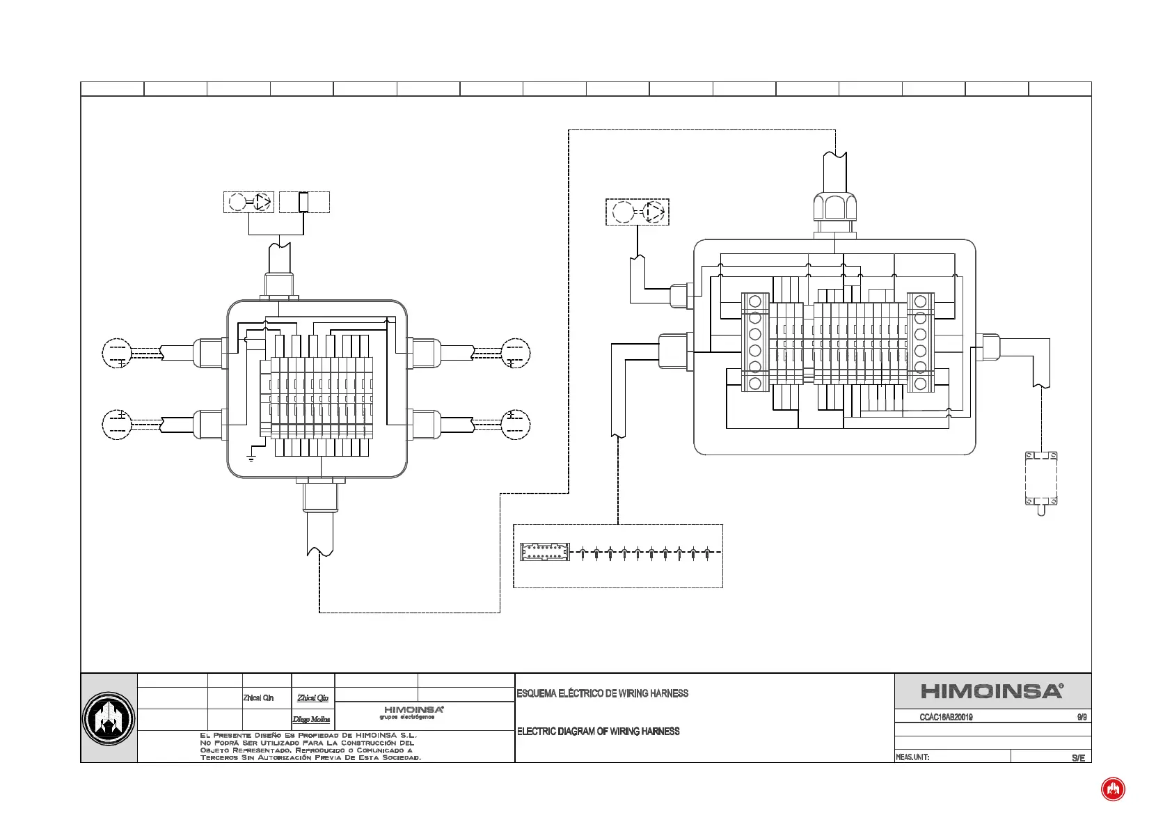
WIRING DIAGRAM | PAGE 43
PE
1
2
3
4
5
6
7
8
9
10
PE
5
6
7
8
9
3
4
1
2
10
11
12
red
blue
yellow
green
y/g
1
2
3
4
5
6
7
8
9
10
1
01
LS1
1
3
5
7
red
black
6
8
2
4
B2
B1
B4
B3
blue
y/g
blue
y/g
blue
y/g
M
OIL PUMP FOR
MAST DOWN
1
J2 CO NNECTOR
10 119
3
1
2
12
1513 14 16
7
86
5
4
2 3 4
CONTROL PANEL
red
blue
red
blue
red
blue
red
red
red
black
black
black
www.himoinsa.com
1 2 3 54 76 8 9 10 1211 1413 15 16
Telf. 968 191 128
APPROVED:
OLD CODE:
NEW CODE:
DESIGN:
REVISED/
NAME:
DATE: SIGNATURE
DESCRIPATION:
Nº P.:
REVISION:
SCALE:
CODE:
CTRA.MURCIA-SAN J AVIER KM 23 .600 C.P. 30730 - MURCIA - ESPAÑA
28/04/17
28/04/17
mm
00
Diego Molina
CCAC16AB20019-R0
M
DC MOTOR
S
Sensor
13
14
15
01
1
14
001
13
11
10
5 9 10 11 12 13
blue
y/g
10
11
9
LAMP
LAMP
LAMP
LAMP
11
11
y/g
black
12
black
y/g
ROTATION