EasyManua.ls Logo

Hirobo Shuttle RG - Page 36

Default Icon
78 pages
Print Icon
To Next Page IconTo Next Page
To Next Page IconTo Next Page
To Previous Page IconTo Previous Page
To Previous Page IconTo Previous Page
Loading...
36
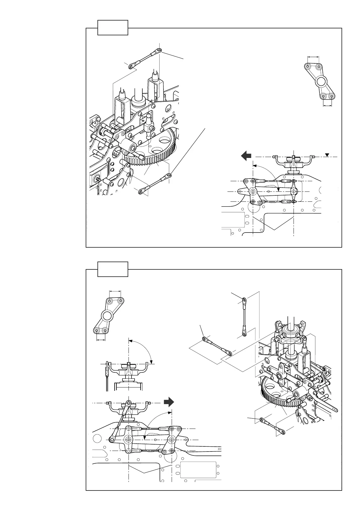
90゜
機首方向
Frontside
エルバー/スシュロド
Aileronlever/Swashrod
X型ー/レバ
X-typelever/Aileronlever
⑤
④
X型ー/レバ
X-typelever/Aileronlever
前か見た図
Frontview
90゜
広い
Wide
狭い
Narrow
平行
Parallel
X(L)とエが平行に、
④トでなぎま
Xき、前か見てシュプレー
ト
水平う、エルーとスワシュプレ
⑤ なぎま
ConnecttheX-lever(L)andaileronleverwiththero
d
④sothatthesearepositionedinparallel.
Connecttheaileronleverandswashplatewithrod⑤

sothattheswashplateishorizontalwithfrontview
whentheX-leverisvertical.
X型ー/ルクレバー
X-typelever/Elevatortorquelever
X型ー/ルクレバー
X-typelever/Elevatortorquelever
③
③
機首方向
Frontside
90゜
水平
Horizont
al
平行
Parallel
スシュプレが水平の時、X型(R)とエレータ
トルクが平行う③ なぎま
ConnecttheX-plate(R)andelevatortorqueleverwiththerod
③sothatthesearepositionedinparallelwhentheswashplate
ishorizontal.
広い
Wide
狭い
Narrow
STEP 4
STEP 5

Other manuals for Hirobo Shuttle RG

Related product manuals