EasyManua.ls Logo

Hisense MT9603 - Signals Block Diagram & Power Assign & Schematic Diagram

Hisense MT9603
37 pages
Print Icon
To Next Page IconTo Next Page
To Next Page IconTo Next Page
To Previous Page IconTo Previous Page
To Previous Page IconTo Previous Page
Loading...
-
36
-
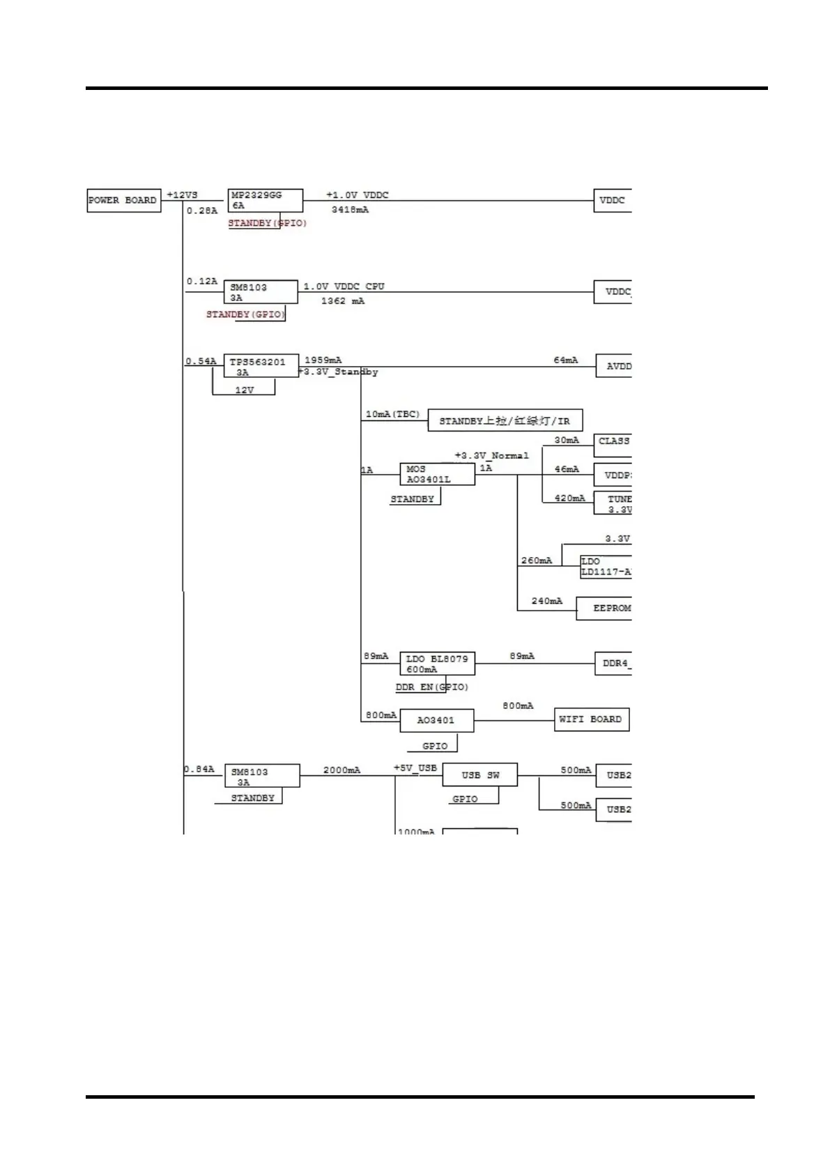
6. Signals Block Diagram & power assign & schematic diagram

Related product manuals