EasyManua.ls Logo

Hitachi 22LD4200UK - Circuit Diagrams

Hitachi 22LD4200UK
63 pages
Print Icon
To Next Page IconTo Next Page
To Next Page IconTo Next Page
To Previous Page IconTo Previous Page
To Previous Page IconTo Previous Page
Loading...
No. 0203
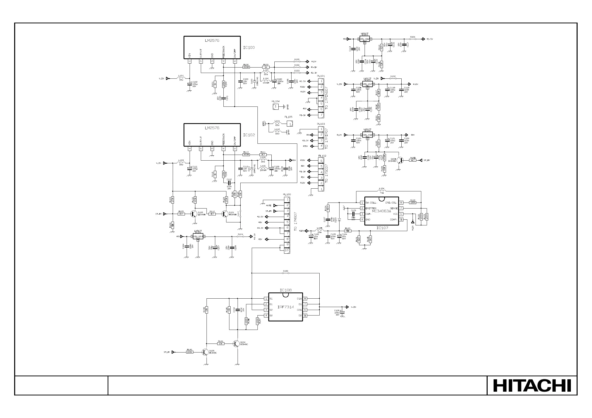
POWER & AMPLIFIER BOARD - Power Regulator Circuit
22 TFT TV Service Manual
14. CIRCUIT DIAGRAMS
41

Related product manuals