EasyManua.ls Logo

Hitachi 32PD5000 - Page 98

Hitachi 32PD5000
101 pages
Print Icon
To Next Page IconTo Next Page
To Next Page IconTo Next Page
To Previous Page IconTo Previous Page
To Previous Page IconTo Previous Page
Loading...
HITACHI
SM005
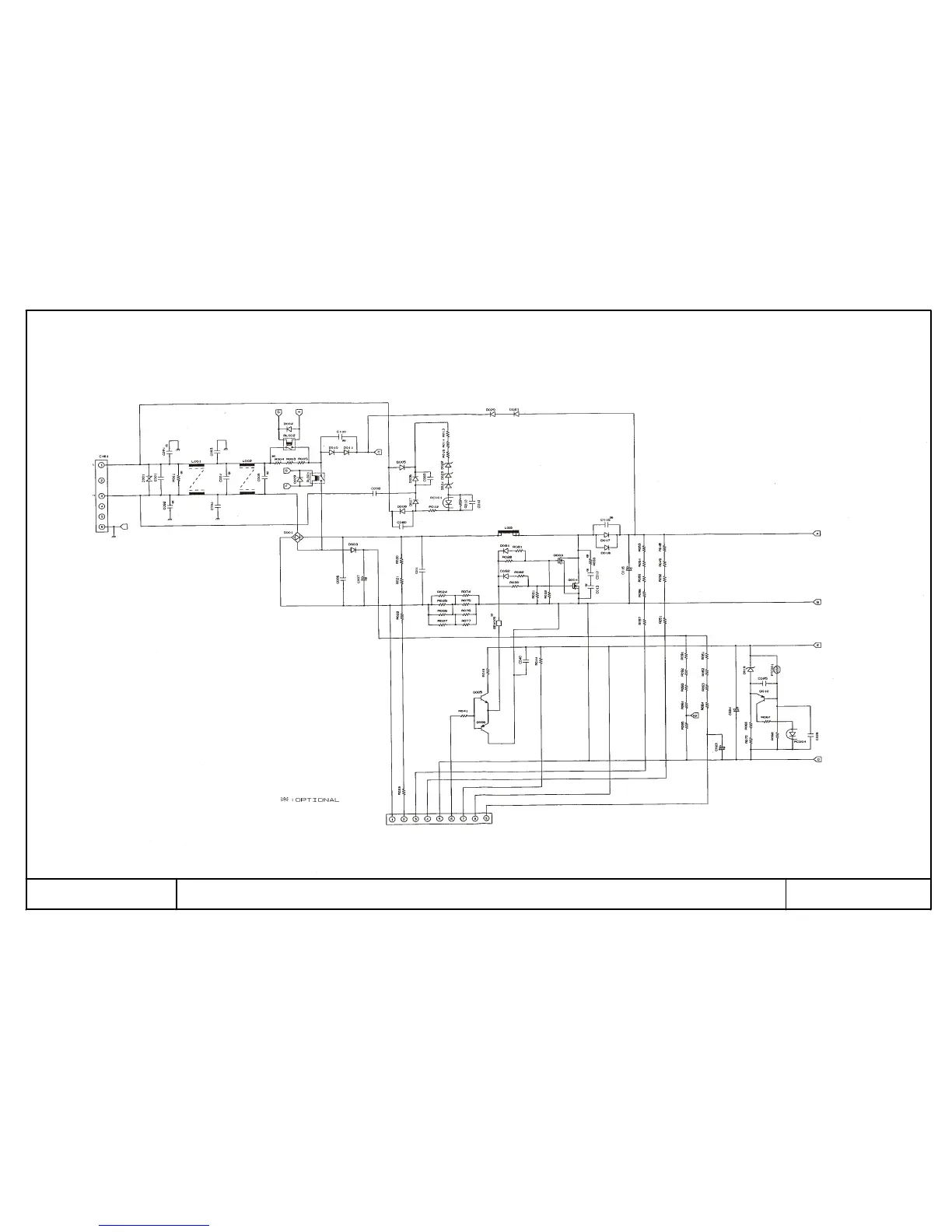
Power Supply Circuit - 4 of 5

Related product manuals