EasyManua.ls Logo

Hitachi C 10FSB

Hitachi C 10FSB
97 pages
To Next Page IconTo Next Page
To Next Page IconTo Next Page
To Previous Page IconTo Previous Page
To Previous Page IconTo Previous Page
Loading...
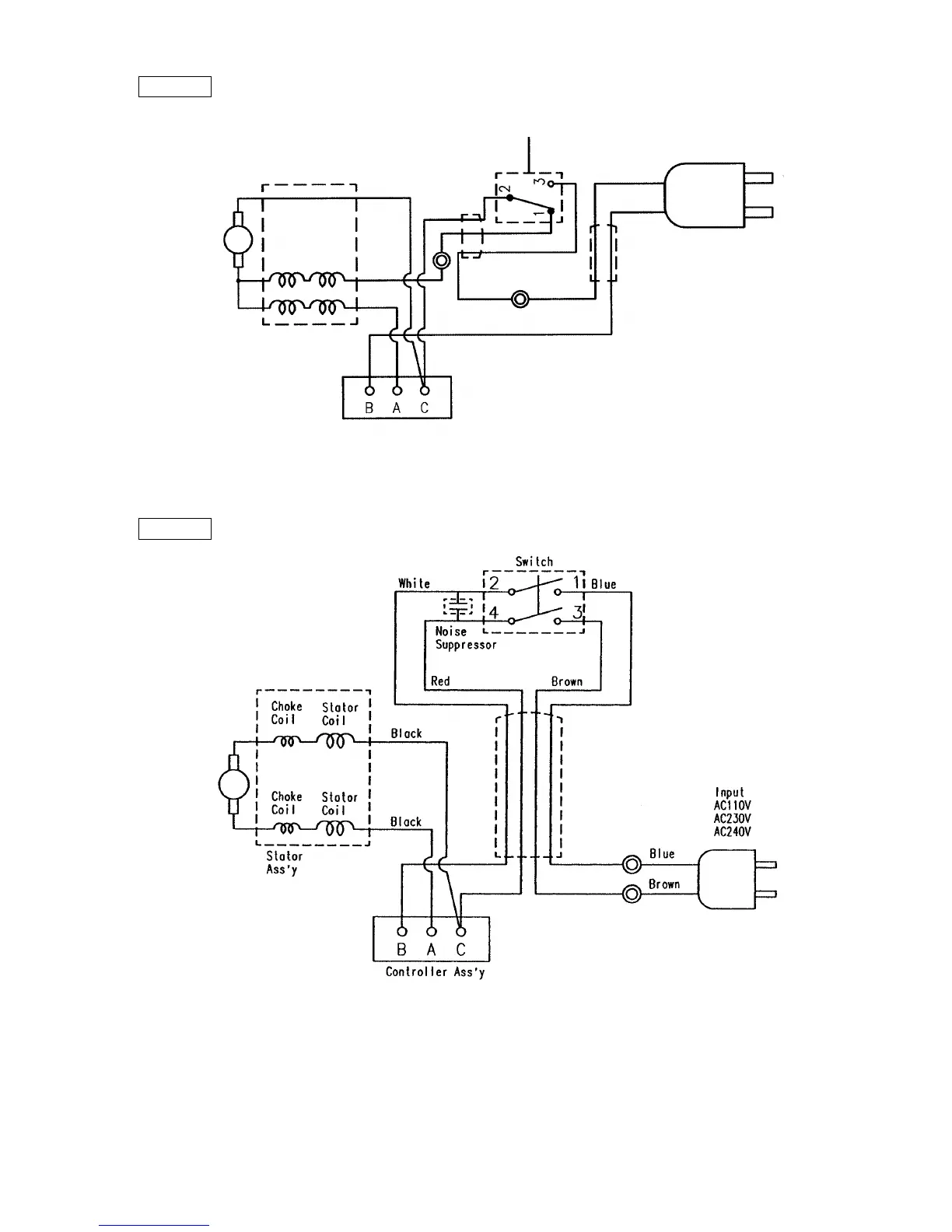
--- 51 ---
Armature
ass'y
Black
Input
AC 120 V
C 10FSB USA/CAN
Controller ass'y
Blue
White
SW
These numbers indicate the terminal
numbers of the trigger switch.
Stator ass'y
Stator coil
Brake coil
Yellow
Gray
White
Black
Red
OFF
Fig. 70-1
C 10FSB EUROPE/AUS/NZL
Fig. 70-2

Related product manuals