EasyManua.ls Logo

Honeywell SCS-8

Honeywell SCS-8
210 pages
To Next Page IconTo Next Page
To Next Page IconTo Next Page
To Previous Page IconTo Previous Page
To Previous Page IconTo Previous Page
Loading...
SCS Series Manual — P/N 15712:L 7/18/16 139
Non-dedicated Smoke Control System Wiring Diagrams Ratings and Wiring Diagrams
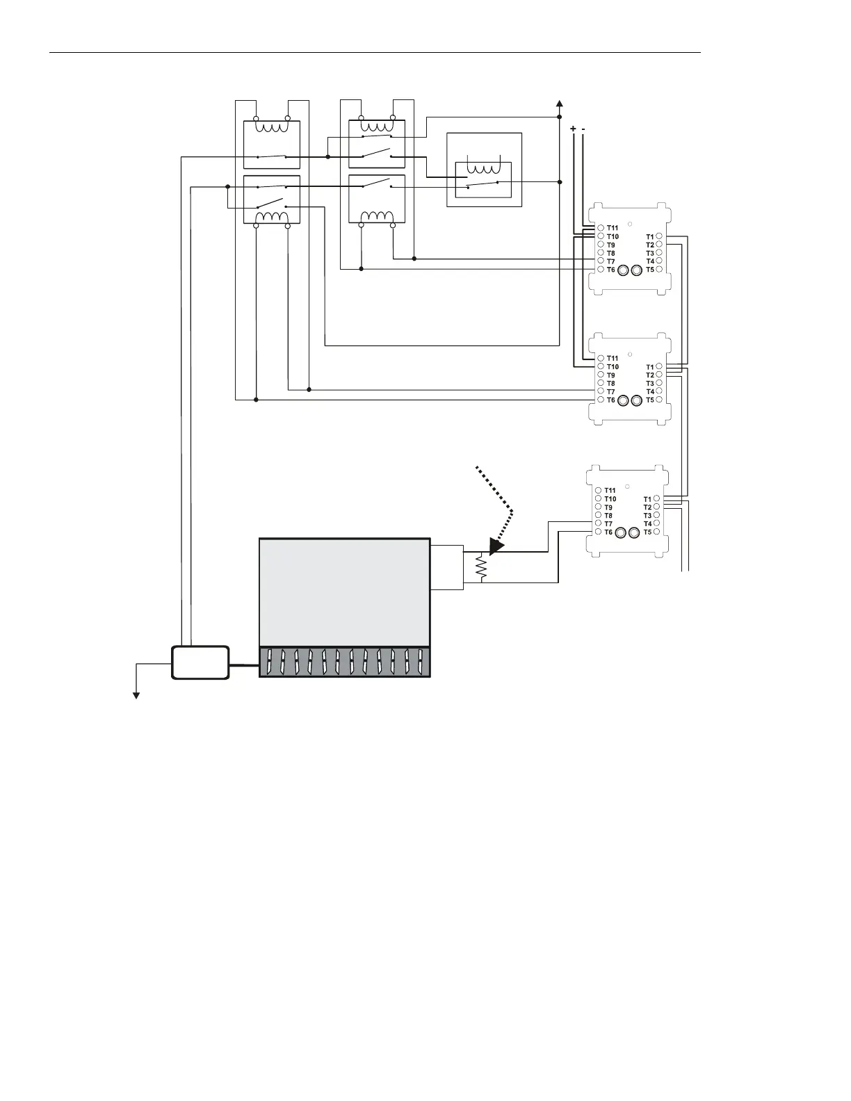
Figure 5.30 Motorized Damper Control
Non-dedicated System - FSCS Switch Group Type 8
Figure 5.30 depicts a motorized damper in a non-dedicated system with the capability of
OPEN and CLOSED control and verification of the
OPEN state, switch group type 8. In the above configuration, the CON
ONOP
CM is activated and the CON
OFFCL
CM is deactivated. Under
normal operation (non smoke control mode) both control modules would be deactivated, allowing the EMS system to freely control the
damper. The CON
ONOP
CM controls two contactors: a normally closed contactor for the damper closed power line, and a dual normally
open/normally closed contactor for the damper open power line. The CON
OFFCL
CM controls two contactors: a normally closed contactor
for the damper open power line, and a dual normally open/normally closed contactor for the damper close power line. When the
CON
ONOP
CM is activated, the CON
OFFCL
CM is deactivated, and vice versa. When the CON
ONOP
CM is activated, the normally closed
contactor is opened (cutting any power supplied by the EMS to the damper closed power line), the normally closed portion of the dual con-
tactor is opened (cutting any power supplied by the EMS to the damper open power line), and the normally open portion of the dual contactor
is closed, thus supplying power to the damper.
When power is supplied to the damper open power line, the damper opens. When the damper completely opens, the damper open limit
switch is
CLOSED, indicating that the damper is in the OPEN position. The VER
ONOP
MM monitors the CLOSED position of the damper open
limit switch. In this case the VER
ONOP
MM is activated because the damper is OPEN.
Damper
Open
Power
N/O
COM
Damper
Closed
Power
AC
MOTOR
DAMPER
OPEN
Limit Switch
for open
position
Power Source
Listed
24 VDC
Power Source
SLC Loop
ELR-47K
(use 3.9K listed ELR with FZM-1)
FMM-1
FCM-1
VER
ONOP
MM
(activated)
CON
ON/OP
CM
(activated)
DMO-nf5a-fs-2.wf
Power Return
1a, 1b listed contact
1b listed contact
Energy
Management
System
FCM-1
CON
OFF/CL
CM
(deactivated)
1b listed
contact
1b, 1a
listed
contact
*If the SLC device
does not match the
one in this figure,
refer to the SLC
manual appendix,
which contains
wiring conversion
charts for type V
and type H
modules.

Table of Contents

Related product manuals