EasyManua.ls Logo

Honeywell SCS-8

Honeywell SCS-8
210 pages
To Next Page IconTo Next Page
To Next Page IconTo Next Page
To Previous Page IconTo Previous Page
To Previous Page IconTo Previous Page
Loading...
SCS Series Manual — P/N 15712:L 7/18/16 143
Non-dedicated Smoke Control System Wiring Diagrams Ratings and Wiring Diagrams
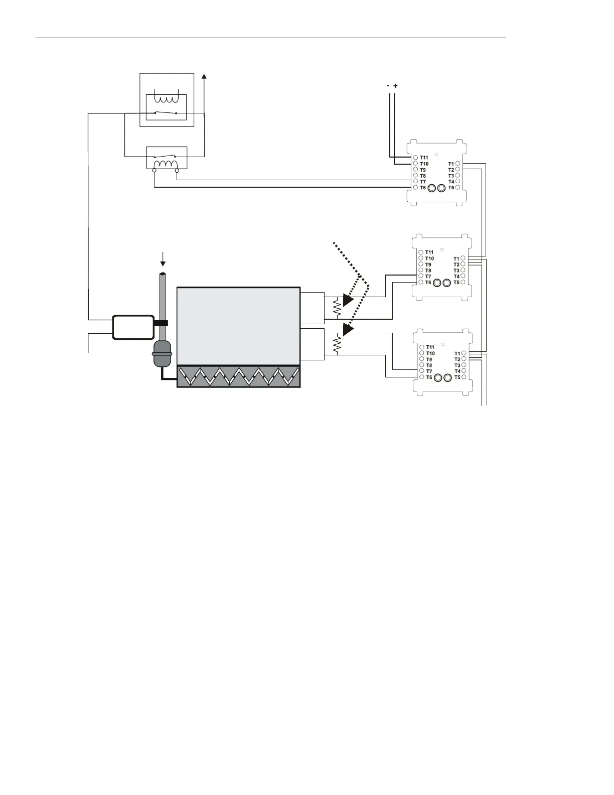
Figure 5.34 EP Damper Control, Non-dedicated System - FSCS Switch Group Type 3
Figure 5.34 depicts an EP damper in a non-dedicated system with the capability of CLOSED control and verification of the OPEN and CLOSED
state, switch group type 3. In the above configuration, the CON
OFFCL
CM is activated. The CON
OFFCL
CM controls a normally open contac-
tor for the pressure switch power line. When the CON
OFFCL
CM is activated, the normally open contactor is closed. When the contactor
closes, power is supplied to the pressure switch, which cuts the airflow to the damper and closes it. When the CON
OFFCL
CM is deactivated,
the EMS is free to control the damper. The EMS is currently being overridden by the CON
OFFCL
CM.
When power is supplied to the pressure switch, the damper closes. When the damper completely closes, the damper closed limit switch is
CLOSED and the damper open limit switch is OPEN, indicating that the damper is in the CLOSED position. The VER
OFFCL
MM monitors the
CLOSED position of the damper closed limit switch and the VER
ONOP
MM monitors the CLOSED position of the damper open limit switch. In
this case the VER
OFFCL
MM is activated and the VER
ONOP
MM is deactivated because the damper is CLOSED.
Airflow
PRESSURE
SWITCH
SMOKE
DAMPER
CLOSED
Power Source
Listed
24 VDC
Power Source
SLC Loop
FCM-1
CON
OFF/CL
CM
(activated)
DEP-NF3A-fs-2.wmf
Power
Return
VER
OFFCL
MM
(deactivated)
N/O
COM
Limit Switch
for closed
position
ELR-47K
(use 3.9K listed ELR with FZM-1)
Pneumatic
Tubing
Energy
Management
System
1a listed
contact
N/O
COM
Limit Switch
for open
position
VER
ONOP
MM
(deactivated)
FMM-1
FMM-1
*If the SLC device
does not match the
one in this figure,
refer to the SLC
manual appendix,
which contains
wiring conversion
charts for type V and
type H modules.

Table of Contents

Related product manuals