EasyManua.ls Logo

Honeywell SCS-8

Honeywell SCS-8
210 pages
To Next Page IconTo Next Page
To Next Page IconTo Next Page
To Previous Page IconTo Previous Page
To Previous Page IconTo Previous Page
Loading...
146 SCS Series Manual — P/N 15712:L 7/18/16
Ratings and Wiring Diagrams Non-dedicated Smoke Control System Wiring Diagrams
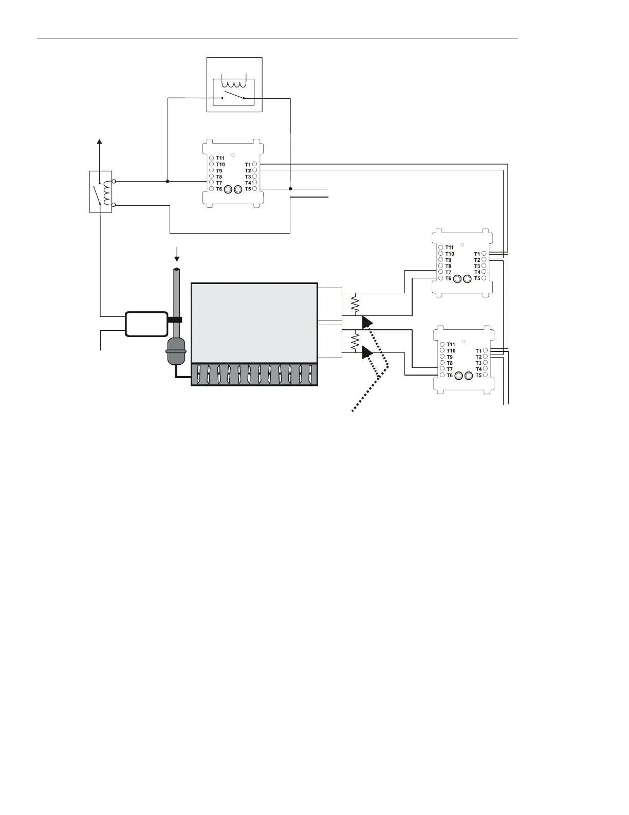
Figure 5.37 EP Damper Control, Non-dedicated System - FSCS Switch Group Type 6
Figure 5.37 depicts an EP damper in a non-dedicated system with the capability of
OPEN control and verification of the OPEN and CLOSED
state, switch group type 6. In the above configuration, the CON
ONOP
CM is activated. The CON
ONOP
CM controls a normally closed contac-
tor for the pressure switch power line. When the CON
ONOP
CM is activated, the normally closed contactor is opened. When the contactor
opens, power is cut from the pressure switch which allows airflow to open the damper. When the CON
ONOP
CM is deactivated, the EMS is
free to control the damper. The EMS is currently being overridden by the CON
ONOP
CM.
When power is cut from the pressure switch, the damper opens. When the damper completely opens, the damper open limit switch is
CLOSED
and the damper closed limit switch is
OPEN, indicating that the damper is in the OPEN position. The VER
ONOP
MM monitors the CLOSED
position of the damper open limit switch and the VER
OFFCL
MM monitors the CLOSED position of the damper closed limit switch. In this
case the VER
ONOP
MM is activated and the VER
OFFCL
MM is deactivated because the damper is OPEN.
FMM-1
Airflow
PRESSURE
SWITCH
SMOKE
DAMPER
OPEN
Power
Source
Listed
24 VDC
Power Source
SLC Loop
DEP-NF6A-fs-2.wmf
Power
Return
VER
OFFCL
MM
(deactivated)
N/O
COM
Limit Switch
for closed
position
ELR-47K
(use 3.9K listed ELR with FZM-1)
Pneumatic
Tubing
Energy
Management
System
N/O
COM
Limit Switch
for open
position
VER
ONOP
MM
(activated)
FMM-1
1b listed
contact
FRM-1
CON
ON/OP
CM
(activated)
*If the SLC device
does not match the
one in this figure,
refer to the SLC
manual appendix,
which contains
wiring conversion
charts for type V
and type H modules.

Table of Contents

Related product manuals