EasyManua.ls Logo

Honeywell SDC 9-21 - Page 67

Honeywell SDC 9-21
92 pages
Print Icon
To Next Page IconTo Next Page
To Next Page IconTo Next Page
To Previous Page IconTo Previous Page
To Previous Page IconTo Previous Page
Loading...
SDC Εφαρμογές θέρμανσης / Heating applications
MU1H-0438GE51 R0313 67
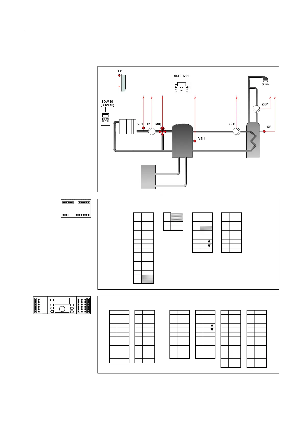
10.12 Υδραυλικό σύστημα 0406 (SDC 7-21)
Hydraulics 0406 (SDC 7-21)
X 1 X 2 X 3 X 4
23 GND 19 1 10
24 BUS A 20 2 11
25 BUS B 21 N 3 ZKP 12
26 AF 22 L1 4 13
27 5 SLP 14
28 SF 6 L 1 15
29 VF1 7 MK1 16
30 VE1 8 MK1 17
31 9 P1 18
32
33
34
35
36
37
38
X 5 X 6 X 7 X 8 X 9 X 10
1 Bus B 1 Bus A 1 1 1 N 1 PE
2 GND 2 AF 2 2 DKP 2 N 2 PE
3 GND 3 3 3 SLP 3 N 3 PE
4 GND 4 SF 4 4 MK1 4 N 4 PE
5 GND 5 VF 1 5 L 1 5 MK1 5 N 5 PE
6 GND 6 VE1 6 6 P 1 6 N 6 PE
7 GND 7 7 7 7 N 7 PE
8 GND 8 8 8 8 N 8 PE
9 GND 9 9 9 9 N 9 PE
10 GND 10 10 10 10 N 10 PE
11 GND 11 11 11 11 N 11 PE
12 GND 12 12 N 12 PE
13 N 13 PE
Εισαγωγή παραμέτρων βλ. 10.12.1 σελ. 68.
For parameter entry, see 10.12.1 pg. 68.
X1X2
X4
X3
ΥΠΟΔΕΙΞΗ
NOTE

Table of Contents

Related product manuals