EasyManua.ls Logo

Honeywell SDC 9-21 - Page 82

Honeywell SDC 9-21
92 pages
Print Icon
To Next Page IconTo Next Page
To Next Page IconTo Next Page
To Previous Page IconTo Previous Page
To Previous Page IconTo Previous Page
Loading...
Εφαρμογές τηλεθέρμανσης / District heating applications SDC
82 MU1H-0438GE51 R0313
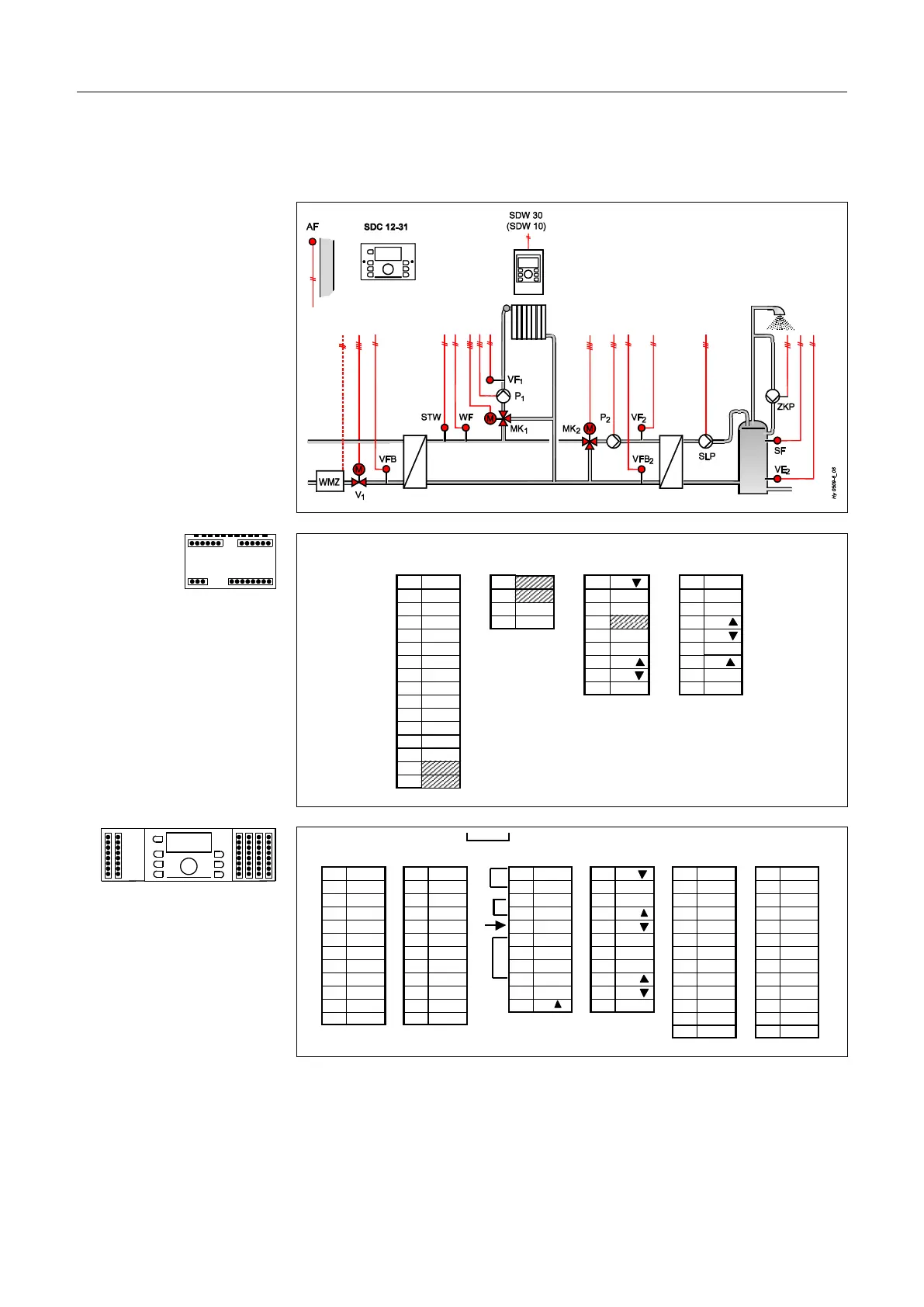
11.10 Υδραυλικό σύστημα 0509 (SDC 12-31, τρόπος λειτουργίας DHC)
Hydraulics 0509 (SDC 12-31, DHC mode)
X 1 X 2 X 3 X 4
23 GND 19 1 V 1 10 ZKP
24 BUS A 20 2 L 1 11
25 BUS B 21 N 3 12 L 1
26 AF 22 L 1 4 13 MK2
27 WF 5 SLP 14 MK2
28 SF 6 L 1 15 P 2
29 VF 1 7 MK1 16 V 1
30 VFB2 8 MK1 17
31 VE2 9 P 1 18 L 1
32 VFB
33 VF2
34
35
36
37
38
X 5 X 6 X 7 X 8 X 9 X10
1 Bus B 1 Bus A 1 1 V 1 1 N 1 PE
2 GND 2 AF 2 2 2 N 2 PE
3 GND 3 WF 3 3 SLP 3 N 3 PE
4 GND 4 SF 4 4 MK1 4 N 4 PE
5 GND 5 VF 1 5 L 1 5 MK1 5 N 5 PE
6 GND 6 VFB2 6 6 P 1 6 N 6 PE
7 GND 7 VE2 7 7 ZKP 7 N 7 PE
8 GND 8 VFB 8 8 8 N 8 PE
9 GND 9 VF2 9 9 MK2 9 N 9 PE
10 GND 10 10 10 MK2 10 N 10 PE
11 GND 11 11 V 1 11 P 2 11 N 11 PE
12 GND 12 12 N 12 PE
13 N 13 PE
Pos: 42 /156-Honeywell/ Montage/051 0/SDC12-31 @ 1\mod_12076 53220166_ 258.doc @ 10 578
X1X2
X4
X3

Table of Contents

Related product manuals