EasyManua.ls Logo

Honeywell T834C

Honeywell T834C
10 pages
To Next Page IconTo Next Page
To Next Page IconTo Next Page
To Previous Page IconTo Previous Page
To Previous Page IconTo Previous Page
Loading...
2
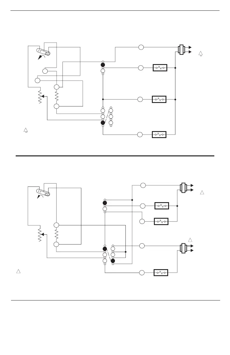
Fig. 2—Schéma interne et raccordement type du T834C pour les systèmes de chauffage et de refroidis-
sement standard à un transformateur.
Fig. 3—Schéma interne et raccordement type du T834C muni de transformateurs distincts pour le
chauffage et le refroidissement.
CHUTE DE
TEMPÉRATURE
HEAT
OFF
COOL
AUTO
ON
H1
HEAT
OFF
COOL
C1
G
R
Y
W
L2
1
1
MF3630
ALIMENTATION. FOURNIR, AU BESOIN,
UN DISPOSITIF DE COUPURE ET UNE
PROTECTION CONTRE LES SURCHARGES.
COMMUTATEUR
DU VENTILATEUR
RELAIS DU
VENTILATEUR
L1 (SOUS
TENSION)
C1 RÉSISTANCE
ANTICIPATRICE
COM-
MUTATEUR
DU SYSTÈME
H1 RÉSISTANCE
ANTICIPATRICE
CONTACTEUR DU
COMPRESSEUR
RELAIS DE
CHAUFFAGE
MF1228
HEAT
OFF
COOL
AUTO
ON
H1
HEAT
OFF
COOL
C1
G
RC
Y
W
L2
1
1
RH
L2
1
L1 (SOUS
TENSION)
CHUTE
DE TEMPÉRATURE
COMMUTATEUR
DU VENTILATEUR
RELAIS DU
VENTILATEUR
CONTACTEUR
DU COMPRESSEUR
L1 (SOUS
TENSION)
H1 RÉSISTANCE
ANTICIPATRICE
C1 RÉSISTANCE
ANTICIPATRICE
ALIMENTATION. FOURNIR, AU BESOIN, UN DISPOSITIF DE
COUPURE ET UNE PROTECTION CONTRE LES SURCHARGES.
COMMUTATEUR
DU SYSTÈME
RELAIS DE
CHAUFFAGE

Other manuals for Honeywell T834C

Related product manuals