EasyManua.ls Logo

Honeywell T834C

Honeywell T834C
10 pages
To Next Page IconTo Next Page
To Next Page IconTo Next Page
To Previous Page IconTo Previous Page
To Previous Page IconTo Previous Page
Loading...
3 69-0504B—2
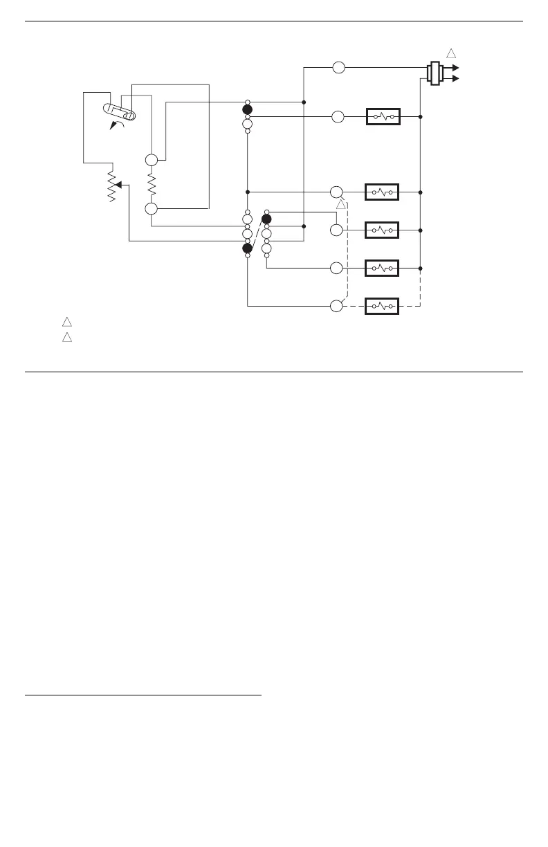
Fig. 4—Schéma interne et raccordement type pour les pompes á chaleur á un étage.
MF1037B
ALIMENTATION. PRÉVOIR, AU BESOIN, UN DISPOSITIF DE COUPURE ET UNE PROTECTION CONTRE LES SURCHARGES.
POSER UN CAVALIER ENTRE LES BORNES W ET Y, AU BESOIN, POUR LE FONCTIONNEMENT AUTOMATIQUE DU
VENTILATEUR PENDANT LE CHAUFFAGE.
CONTACTEUR DU
COMPRESSEUR
INTER-
RUPTEUR
DU
SYSTÈME
HEAT
OFF
COOL
AUTO
ON
H1
RELAIS DU
VENTILATEUR
HEAT
OFF
COOL
C1
G
R
Y
L1 (SOUS
TENSION)
L2
1
1
RELAIS D'INVERSION
(CHAUFFAGE)
B
RELAIS D'INVERSION
(REFROIDISSEMENT)
O
RELAIS DE
CHAUFFAGE
W
2
2
BAISSE DE
TEMPÉRATURE
RÉSIST.
ANTICIPATRICE
DE CHALEUR
RÉSIST.
ANTICIPATRICE
DE FROID
INTERRUPTEUR
DU VENTILATEUR
Réglage et Vérification
COMMUTATION DU SYSTÈME ET DU
VENTILATEUR
Le T834C comprend des commutateurs de système et
de ventilateur.
Le commutateur du système commande le fonctionne-
ment du système comme suit:
HEAT: Seul le système de chauffage fonctionne.
OFF: Refroidissement sont tous deux hors tension.
5. Régler l’indicateur de la résistance anticipatrice
de chaleur pour qu’il corresponde à l’appel de courant du
régulateur de chauffage principal (voir «Réglage de la
résistance anticipatrice de chaleur»).
6. Pousser le reste des fils dans le trou et boucher
l’ouverture au moyen d’un matériau isolant afin
d’empêcher l’entrée de courants d’air qui pourraient
perturber le fonctionnement du thermostat.
7. Fixer sans serrer le thermostat au mur ou à la boîte
de sortie à l’aide d’une vis insérée dans le trou de fixation
du haut. Placer le thermostat afin qu’il soit de niveau et
insérer la deuxième vis dans le trou de fixation du bas. Ne
pas serrer.
8. Pour un rendement maximal, mettre le thermostat
de niveau à l’aide d’un niveau à bulle ou d’un fil à
plomb. Serrer ensuite les vis de fixation.
IMPORTANT: Ce thermostat a été étalonné à l’usine
au niveau vrai. Toute inexactitude de niveau
pendant l’installation pourrait provoquer un écart
du point de contrôle.
9. Replacer le couvercle du thermostat.
COOL: Seul le système de refroidissement fonctionne.
Le commutateur du ventilateur commande le fonction-
nement du ventilateur comme suit:
AUTO: Pour les systèmes au gaz ou au mazout. En
refroidissement, le ventilateur fonctionne en réponse
au thermostat; en chauffage, le ventilateur
fonctionne en réponse à la commande du ventilateur
du plénum. Pour les systèmes de pompe de chaleur,
le ventilateur fonctionne en réponse au thermostat en
chauffage et en refroidissement.
ON: Le ventilateur fonctionne continûment.
Pour modifier la position du commutateur, utiliser le
pouce et l’index pour glisser le curseur à la position
désirée. Le curseur doit être placé directement sur la
marque indiquant la fonction désirée pour que le circuit
fonctionne adéquatement.
RÉGLAGE DE LA TEMPÉRATURE
Pousser le curseur de la température au degré désiré sur
l’échelle de température. Celui-ci servira à régler la
température pour le chauffage ou le refroidissement.
RÉGLAGE DE LA RÉSISTANCE ANTICIPATRICE
DE CHALEUR
IMPORTANT: Le thermostat T834C comporte une
résistance anticipatrice de chaleur réglable. Il
fonctionnera adéquatement SEULEMENT SI LA
RÉSISTANCE ANTICIPATRICE DE CHALEUR
CORRESPOND À L’APPEL DE COURANT DU
RÉGULATEUR PRIMAIRE.
N’utiliser ce thermostat qu’avec des systèmes dont les
appels de courant correspondent à l’échelle de la
résistance anticipatrice de chaleur.

Other manuals for Honeywell T834C

Related product manuals