EasyManua.ls Logo

HP 120A - Page 73

HP 120A
95 pages
Print Icon
To Next Page IconTo Next Page
To Next Page IconTo Next Page
To Previous Page IconTo Previous Page
To Previous Page IconTo Previous Page
Loading...
Sect.
V
Page
4
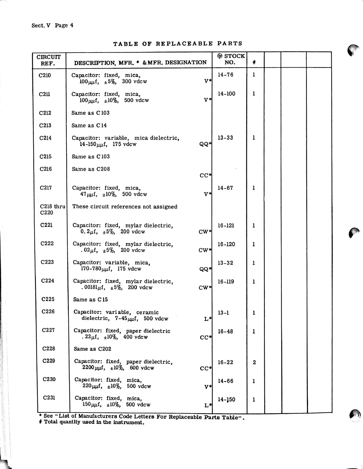
TABLE
OF
REPLACEABLE
PARTS
See
"List
of
Manufacturers
Code
Letters
For
Replaceable
Parts
Table"
.
#
Total
quantity
used
in
the
instrument.
CIRCUIT
REF.
DESCRIPTION,
MFR.
&
MFR.
DESIGNATION
STOCK
NO.
C210
C211
C212
C213
C214
C215
C216
C217
C218
thru
C220
C221
C222
C223
C224
C225
C226
C227
C228
C229
C230
C231
Capacitor:
fixed,
mica,
lOOggf,
±5%,
300
vdcw
V
*
Capacitor:
fixed,
mica,
lOOg^f,
±10%,
500
vdcw
V
*
Same
as
C103
Same
as
C
14
Capacitor:
variable,
mica
dielectric,
14-150
MM
f,
175
vdcw
QQ
*
Same
as
C
103
Same
as
C208
CC
*
Capacitor:
fixed,
mica,
47^/xf,
±10%,
500
vdcw
V
*
These
circuit
references
not
assigned
Capacitor:
fixed,
mylar
dielectric,
0.
2
M
f,
±5%,
200
vdcw
CW
*
Capacitor:
fixed,
mylar
dielectric,
.
02gf,
±5%,
200
vdcw
CW
*
Capacitor:
variable,
mica,
170-780/xgf,
175
vdcw
QQ
*
Capacitor:
fixed,
mylar
dielectric,
.
00181gf,
±5%,
200
vdcw
CW
*
Same
as
C
15
Capacitor:
variable,
ceramic
dielectric,
7-45/igf,
500
vdcw
L
*
Capacitor:
fixed,
paper
dielectric
.
22gf,
±10%,
400
vdcw
CC
*
Same
as
C202
Capacitor:
fixed,
paper
dielectric,
2200/xgf,
±10%,
600
vdcw
CC
*
Capacitor:
fixed,
mica,
220/igf,
±10%,
500
vdcw
V
*
Capacitor:
fixed,
mica,
150/igf,
±10%,
500
vdcw
L
*
14-76
14-100
13-33
14-67
16-121
16-120
13-32
16-119
13-1
16-48
16-22
14-66
14-J50
1
1
1
1
1
1
1
1
1
1
2
1
1

Related product manuals