EasyManua.ls Logo

HP 120A - Page 85

HP 120A
95 pages
Print Icon
To Next Page IconTo Next Page
To Next Page IconTo Next Page
To Previous Page IconTo Previous Page
To Previous Page IconTo Previous Page
Loading...
Sect.
V
Page
16
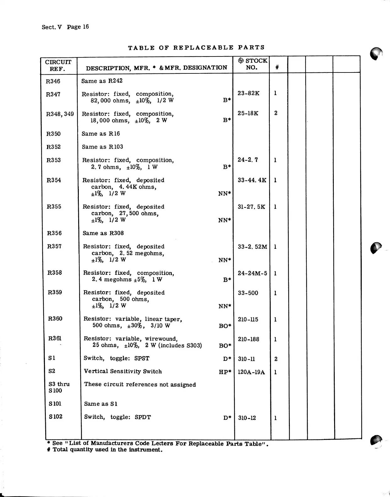
TABLE
OF
REPLACEABLE
PARTS
See
List
of
Manufacturers
Code
Lecters
For
Replaceable
Parts
Table
.
CIRCUIT
REF.
DESCRIPTION,
MFR.
&
MFR.
DESIGNATION
STOCK
NO.
#
R346
Same
as
R242
R347
Resistor:
fixed,
composition,
82,
000
ohms,
±10%,
1/2
W
B
*
23-82K
1
R348,
349
Resistor:
fixed,
composition,
18,000
ohms,
±10%,
2W
B
*
25-18K
2
R350
Same
as
R16
R352
Same
as
R103
R353
Resistor:
fixed,
composition,
2.
7
ohms,
±10%,
1
W
B
*
24-2.
7
1
R354
Resistor:
fixed,
deposited
carbon,
4.
44K
ohms,
±1%,
1/2
W
NN
*
33-44.
4K
1
R355
Resistor:
fixed,
deposited
carbon,
27,
500
ohms,
±1%,
1/2
W
NN
*
31-27.
5K
1
R356
Same
as
R308
R357
Resistor:
fixed,
deposited
carbon,
2.
52
megohms,
±1%,
1/2
W
NN
*
33-2.
52M
1
R358
Resistor:
fixed,
composition,
2.
4
megohms
±5%,
1
W
B
*
24-24M-5
1
R359
Resistor:
fixed,
deposited
carbon,
500
ohms,
±1%,
1/2
W
NN
*
33-500
1
R360
Resistor:
variable,
linear
taper,
500
ohms,
±30%,
3/10
W
BO
*
210-115
1
R361
Resistor:
variable,
wirewound,
25
ohms,
±10%,
2
W
(includes
S303)
BO
*
210-188
1
SI
Switch,
toggle:
SPST
D
*
310-11
2
S2
Vertical
Sensitivity
Switch
HP
*
120A-19A
1
S3
thru
S100
These
circuit
references
not
assigned
S101
Same
as
SI
S102
Switch,
toggle:
SPDT
D
*
310-12
1
#
Total
quantity
used
in
the
instrument.

Related product manuals