EasyManua.ls Logo

HP 8903B - Page 205

HP 8903B
240 pages
Print Icon
To Next Page IconTo Next Page
To Next Page IconTo Next Page
To Previous Page IconTo Previous Page
To Previous Page IconTo Previous Page
Loading...
\
,
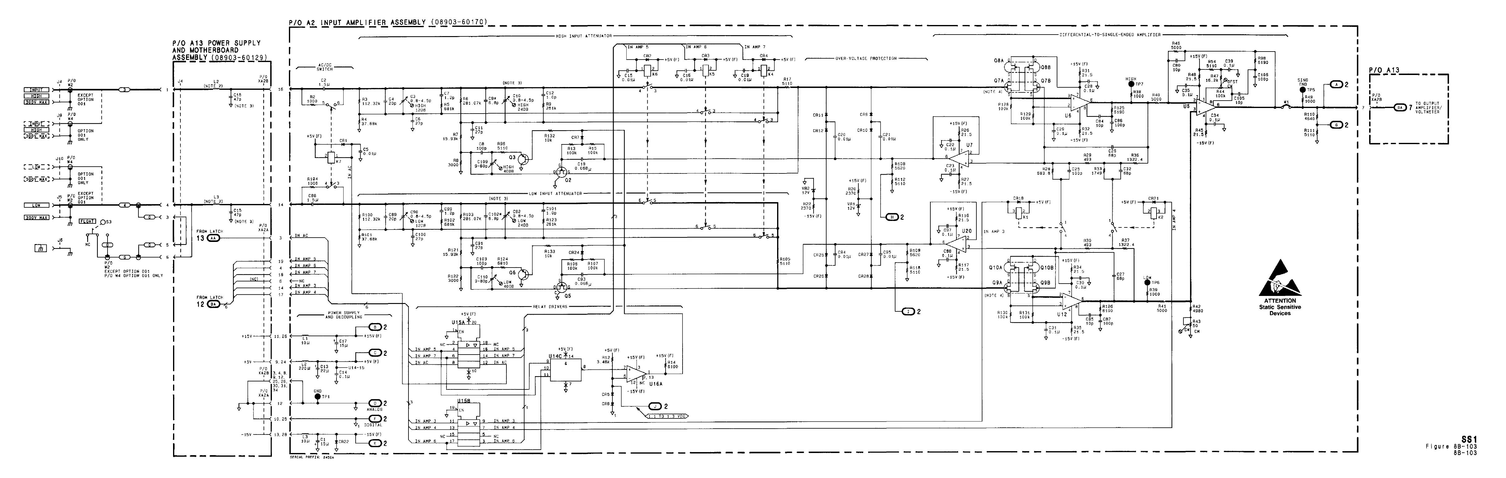
DIFFERENTIAL-TO-SINGLE-ENDED AMPLIFIER
I
,
HIGH INPUT ATTENUATOR
I
P/O
A13 POWER SUPPLY
AND MOTHERBOARD
ASSEMBLY (08903-60129
r--
--'1
I
I
IN
AUP
5
IN AMP
6
IN AMP 7
R46
I
I
-
5000
I
AC/DC Lw+5v
IF)
lm+5v
IF)
*+5v
IF)
YOVER-VOLTAGE
-SWITCH-
I
R17
5110
G19
-
I
4-1-3
I
I
I I
I
0.0111
c16
I
0.0111
c15
0.0111
(NOTE
3)
c10
-1.op
I
I I
..I212
,
R9
::
261k
'
C9X
I
I
I
1.07k
"6.8P
ice$
:;64i5'
2408
4
+3
CRll
<I
,-:
-
-
-
-
I I
4
^3
I
I
I
I
I
I
CRlZ
t
I
I I
I
I
I
I I
I
I I
I I
I
I
I
t
t
R7
.!
p;
R132
15.93k: 1Ok
t5v
IF)
I
C8
R96
loop 5110
K7
$301u
0
I
1
I
I-
12v
I
1
02
I
--
LO# INPUT ATTENUATOR
$5"
1
-----
I
i=
A13
I
L2
INOTE 2)
.
J,4
(
r-'
OPTION
i
I
I
(NOTE
31
;I
I
II
II
I
I
I1
II
I
J?
I
I
OPTION
ONLY
I
I
4-
I
I I
I I
I
I
J;O
i
'
P/O
TO
OUTPUT
AMPLIFIER/
VOLTHETER
CRC
0.0111
L
2T
12v
t15V
IF1
VRl
CR21
I
I
I
I
RlOB
5620
R112
5110
7-J-
ONLY
;I
I
II
I
II
111
I
I
I
I
I
I
I
I
I
I
2370
t
R22
-15V(FI
J-
CRZ!
CR21
14
3
19
4
18
t15VLF1
R117
21.5
I4
rtl
t6
P/O
m
R30
R37
493 1322 4
-
"
-
...
IC91
"
-
A133
~~24
R121.:
JZ7'
15.93k 10k
:'
C103 loop R124 6010
look 100k
c93
0.06611
R122
3000
&
05
C
LC27
65P
LOU
R41
5000
R130
R131::
look look''
--
w2
EXCEPT OPTION
001
P/O
U4
OPTION 001 ONLY
Rll8
5110
I
-15VlFl
I&
I
I
0.111
NOTE
41
FROM LATCH
'6
I
t
1
Static
AlTENTlON
Sensitive
Devices
,
RELAY DRIVERS
1-1
12
380
43
1
:M
t5v
IF)
-L------
&
-151)
IF1
8'1
IN AMP
3
9
IN
AMP
3
IN
AMP 4 13
7
IN AMP 4
I
-
-
NC
-&
2
NC
IN
AM
?l
P6
7
3
IN AMP
6
-
ss
1
Figure
86-103
86-
103

Related product manuals