EasyManua.ls Logo

HT GEO416 - Earth Resistance, Voltaamperemetric Method; Creating Cables Extensions; Method for Small-Sized Earth Rods

Default Icon
32 pages
Print Icon
To Next Page IconTo Next Page
To Next Page IconTo Next Page
To Previous Page IconTo Previous Page
To Previous Page IconTo Previous Page
Loading...
GEO416 - GEO416GS
EN - 25
11.2. EARTH RESISTANCE, VOLTAAMPEREMETRIC METHOD
11.2.1. Creating cables extensions
If the length of the supplied cables isn’t suitable for the plant under test, You can create
your own extensions without influencing the instrument’s accuracy.
For your own safety and to avoid damaging the instrument you are recommended to
respect the following indications:
Always use cable characterized by Insulation voltage and Insulation class complying to
Nominal voltage and measurement category (Overvoltage) of the plant under test
Always use terminal connectors characterized by measurement category (Overvoltage)
and Nominal voltage complying to Nominal voltage of the plant under test (see § 1.4). It
is recommended the 1066-IECN optional accessory
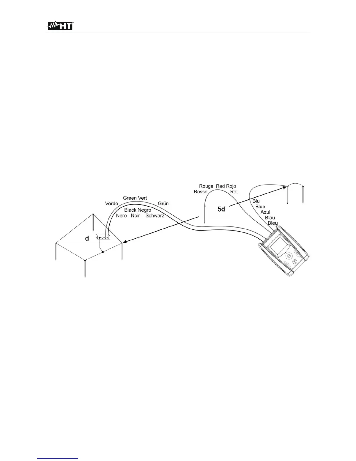
11.2.2. Method for small-sized earth rods
Let a current stream between the earth rod under test and an auxiliary probe placed at a
distance equal to fivefold the diagonal of the area limiting the earth installation itself. Place
the voltage probe at approximately half way between the earth rod and the current probe,
finally measure voltage between both of them.
Fig. 7: Earth resistance measurement – small-sized earth rods
11.2.3. Method for large-sized earth rods
This procedure is based on the volt ampere metric method as well, however it is mainly
used whenever it is difficult to place an auxiliary current rod at a distance equal to fivefold
the diagonal of the area limiting the earth installation. Place the current probe at a
distance equal to the diagonal of the earth installation. To make sure that the voltage
probe is placed outside the area affected by the rod under test as well as the auxiliary rod,
take several measurements, firstly placing the voltage probe at half way between the
installation and the auxiliary current probe, later moving the probe to both the installation
under test and the auxiliary current probe. Such measurements shall give compatible
results, any difference among measurement values taken indicates that the voltage rod
was driven within the influence area of the installation under test or of the auxiliary current
rod. Such measurements cannot be considered as reliable.
In this instance it is necessary to further extend distance between the auxiliary current rod
and the rod under test, then repeat the whole procedure as above described.