EasyManua.ls Logo

HTP UFTC-140 - Page 41

HTP UFTC-140
80 pages
Print Icon
To Next Page IconTo Next Page
To Next Page IconTo Next Page
To Previous Page IconTo Previous Page
To Previous Page IconTo Previous Page
Loading...
LP-648 Rev. 002 Rel. 002 Date 9.16.20
41
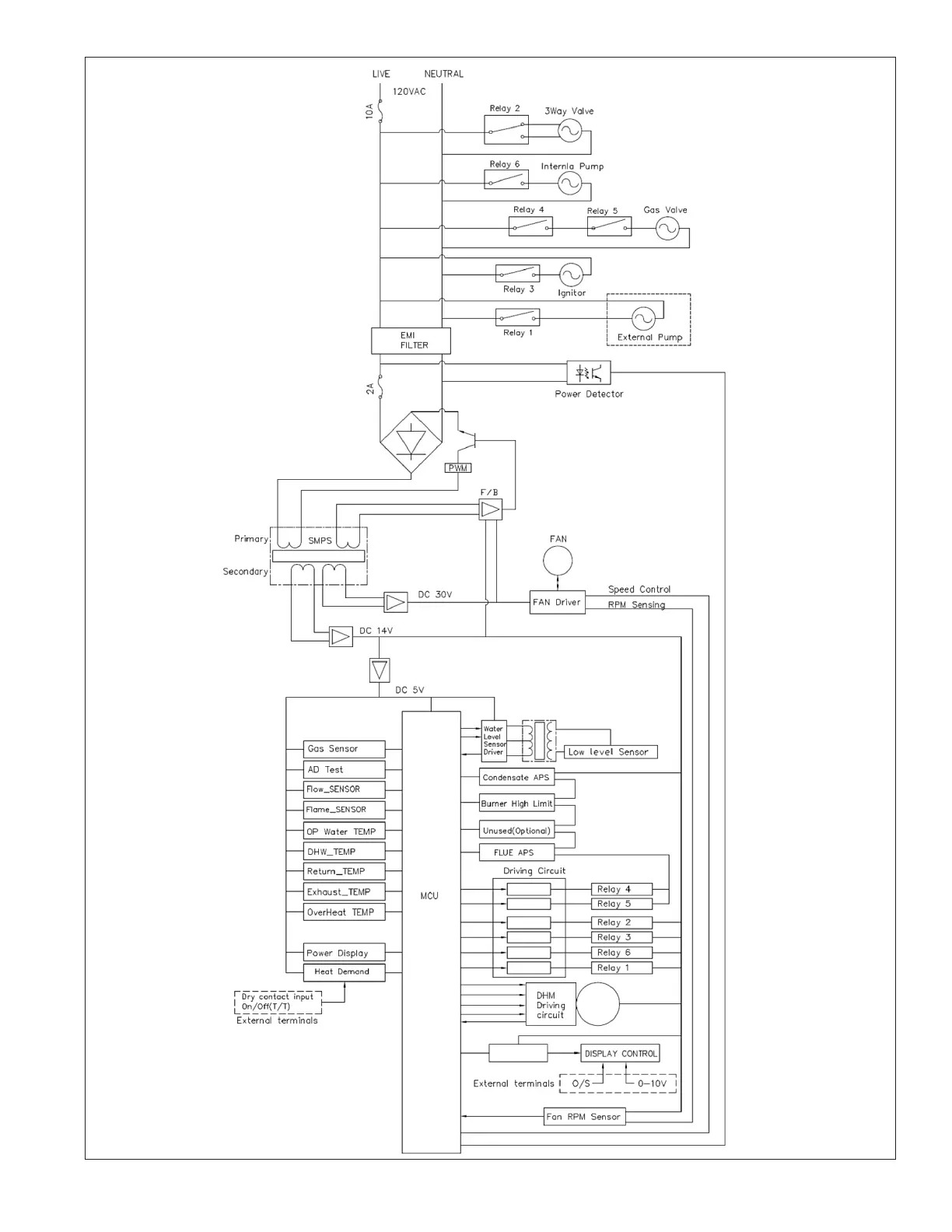
Figure 34 - Ladder Diagram

Table of Contents

Related product manuals