EasyManua.ls Logo

Huawei AP7050DE - Page 91

Huawei AP7050DE
117 pages
Print Icon
To Next Page IconTo Next Page
To Next Page IconTo Next Page
To Previous Page IconTo Previous Page
To Previous Page IconTo Previous Page
Loading...
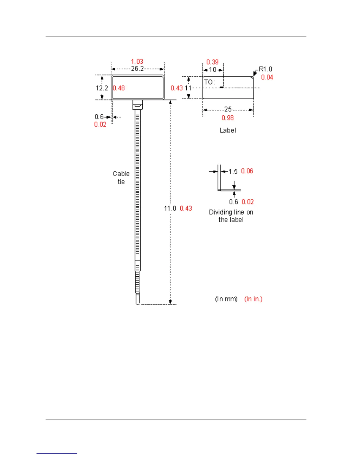
Figure 5-82 Power cable label
Label Printing
The contents can be printed or written on the labels. Printing is recommended for the sake of
high efficiency and eye-pleasant layout.
Template for Printing
You can obtain a template from the Huawei local office to print labels.
The template is made in Microsoft Word. Follow these instructions to use the template:
l You can modify the contents of the template. Do not change settings of centered
characters, direction, and fonts.
AP7050DE
Hardware Installation and Maintenance Guide
5 Appendix
Issue 01 (2016-04-15) Huawei Proprietary and Confidential
Copyright © Huawei Technologies Co., Ltd.
85

Related product manuals